特徴
- ミニチュアTCOデバイス
- 表面実装、小型フットプリント
- 過温度と過電流保護
- ほぼ瞬時に異常な過剰電流を定格限度に制御
- 幅広い温度範囲オプション
- 高耐食性
- USB PD240W(48V/5A)対応
アプリケーション
- 過熱保護
- USB Type-Cケーブル(最大:240W)
- スマートフォン
- ノートブック
- ヒーター
- バッテリ・セル保護
- ウェアラブル
- ポータブル機器
仕様
- トリップ温度範囲:+72 ±5°C~+85 ±5°C
- 最低リセット温度:+40°C
- 最大リーク電流:200mA(最大+25°C)
- 接点容量:9VDC/25A、6000サイクル
- 最大電圧:54VDC/5A、100サイクル
- 最小保持電圧
- 3V(1分間 +25°C)
- 5V(1分間 +25°C)
- 5mΩ最大抵抗
回路図
製品構成
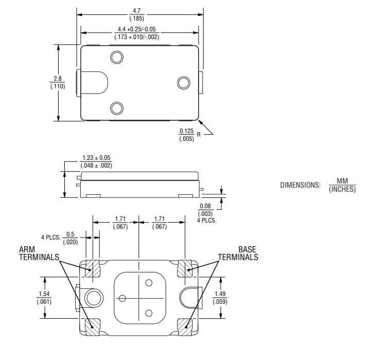
寸法
公開: 2026-01-12
| 更新済み: 2026-01-19

