CUI Inc P78W-500 DC-DCコンバータ

CUI Inc P78W-500DC-DCコンバータは、リニアレギュレーターに代わって高性能を提供するために設計されたコンパクトな非絶縁型DC-DCコンバータです。これらのコンバータは、0.5Aの最大出力電流 と、9VDC〜90VDC という広い入力電圧範囲を特徴としています。P78W-500DC-DCコンバータはコンパクトな 3ピンSIPパッケージに収められており、LM78XXリニアレギュレーターとピン互換性があります。またヒートシンクを必要としないため、基板スペースが限られていてエネルギー効率が懸念されるアプリケーションに最適です。

特徴

  • 出力電流:0.5A
  • LM78XXリニアレギュレーターとのピン互換性あり
  • 動作温度範囲: -40°C~85°C
  • 入力電圧範囲:9VDC〜90VDC
  • 出力電圧範囲:3.3VDC〜24VDC
  • 継続的な短絡保護
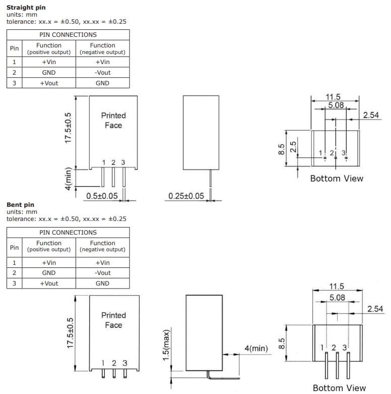
  • 寸法:11.5mm x 8.5mm x 17.5mm
  • コンパクトなSIP3パッケージ
  • EN/IEC/UL 62368-1に準拠

アプリケーション

  • 産業
  • 消費者

標準アプリケーション回路

アプリケーション回路図 - CUI Inc P78W-500 DC-DCコンバータ

機械図面

機械図面 - CUI Inc P78W-500 DC-DCコンバータ
公開: 2025-12-16 | 更新済み: 2026-01-04