CUI Inc VGS-150EとVOF-150E内部電源
CUI Inc VGS-150EとVOF-150E内部電源は、密閉型AC-DC電源のファミリ製品で、ITEアプリケーションに最適です。入力電圧は90VAC~ 264VAC、周波数は47Hz~63Hz、電流は2A(115VAC/50Hz)、最大出力は150W です。 VGS-150EとVOF-150Eの電源は3 “x 2” のコンパクトなサイズで、無負荷時の消費電力は低くなっています。(<0.150W)IEC/EN/UL 62368-1認証を取得しており、RoHSに準拠しています。VGS-150EとVOF-150E電源は、シャーシマウント型で、動作温度は-20°C ~ 70°C(ディレーティングあり)です。保護機能には、短絡、過電圧、過電圧に対する機能があります。特徴
- 電力:
- 自然対流で100W
- 強制風冷 150W
- 保護:
- 短絡保護
- 過電力保護
- 過電圧保護
- 過熱保護
- 3 “x 2”のコンパクトサイズ、インダストリアルデザイン
- IEC/EN/UL 62368-1認証済
- LEDインジケータのメイン出力電力
- 低無負荷電力消費(<0,150W)
- シャーシマウント型
- 動作温度範囲: -20°C ~ 70°C(ディレーティングあり)
仕様
- 入力電圧範囲: 90VAC~264VAC
- 周波数範囲:47Hz~63Hz
- 電流:2A@115VAC/50Hz
- 突入電流:100A@230VAC、コールドスタート
- ホールドアップ時間: 10ms
- 10%から完全負荷偏差回復時間< 20mS 最大過渡応答10%
- RoHS準拠
温度ディレーティング曲線
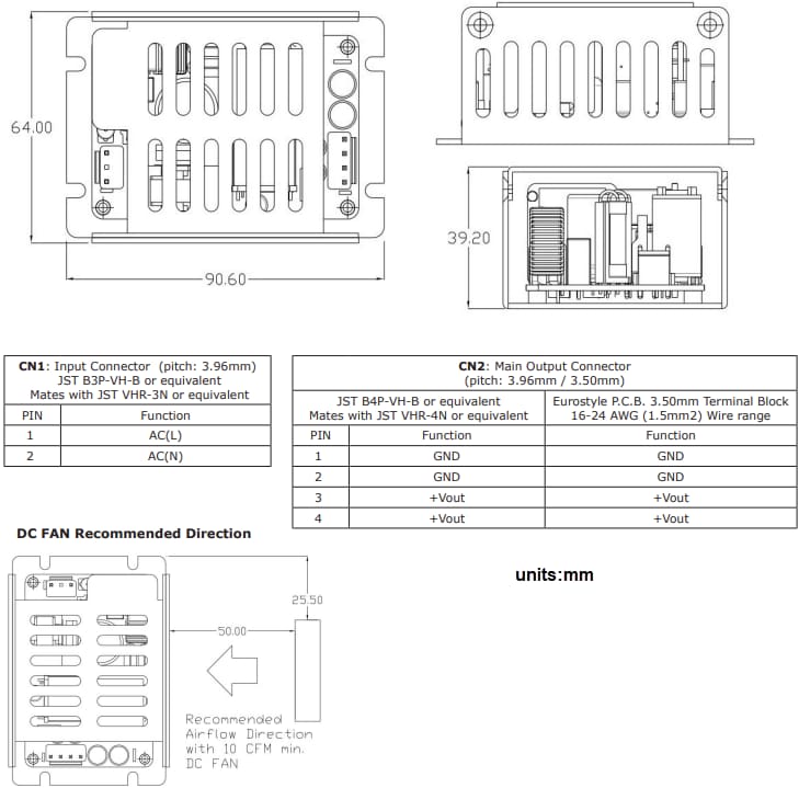
寸法図
公開: 2025-08-18
| 更新済み: 2025-12-15
