Diodes Incorporated AL8853高性能ブーストLEDコントローラ
Diodes Incorporated AL8853高性能ブーストLEDコントローラは、高度に統合されており費用対効果が高いLEDドライバコントローラで、必要なLEDチェーンの長さが入力電力レールを超過するアプリケーションに最適です。AL8853には、電流モードと固定周波動作が採用されているPWMブースト・ドライバが搭載されており、LED電流の安定化を図ります。LED電流は、外部電流センス7・レジスタを介してセンシングされます。センシング・レジスタ全体の電圧は、200mVのリファレンスレベルと比較され、誤差はパワースイッチのパルス幅を制御するように増幅され、LEDに流れる電流の安定化が図られます。AL8853 PWM対アナログ調光は、広範囲の調光制御を目的としています。AL8853 LEDドライバには、パワーMOSFET過電流保護(OCP)、出力過電圧保護(OVP)、ダイオードおよびインダクタのショート保護、GNDへのLEDカソードのショート、IC電源低電圧ロックアウト(UVLO)、LEDオープン保護、VOUT短絡保護、過熱保護(OTP)といった包括的な保護機能があります。
AL8853は、SO-8(Type TH2)パッケージでご用意があり、-40°C~125°Cの動作温度範囲が備わっています。
特徴
- 6.0V~40Vワイド入力電圧範囲
- 高200mV/±3%高精度・帰還リファレンス電圧
- 電流モードPWMコントローラ(優れた動的応答搭載)
- PWM-アナログ調光モード
- トポロジ: ブースト
- 1000kHz最高スイッチング周波数
- -40~125°C動作温度範囲
- SO-8 (Type TH2) パッケージ
- 無鉛でRoHSに完全準拠
- ハロゲンとアンチモンフリー「グリーン」デバイス
- 包括的な内蔵保護機能
- 低電圧ロックアウト(UVLO)
- 出力過電圧保護(OVP)
- パワーMOSFET過電流保護 (OCP)
- ダイオードとインダクタ短絡保護
- GND保護のためのLEDカソードショート
- LEDオープン保護
- VOUT短絡保護
- 過熱保護(OTP)
アプリケーション
- ディスプレイとデジタル看板
- 車載エクステリア
- バックライト
- インフォテイメントとテレマティクス
- 照明
- 内装および外装照明
- TV
- スマート照明
- 街路灯
ブロック図
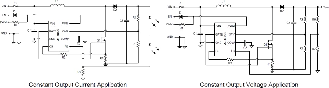
標準アプリケーション回路
公開: 2019-12-27
| 更新済み: 2023-08-14
