Diodes Incorporated AL8860Q & AL8861Q車載グレードLEDドライバ
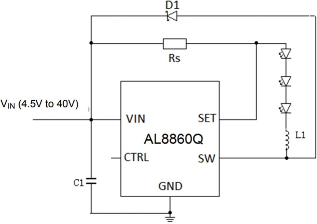
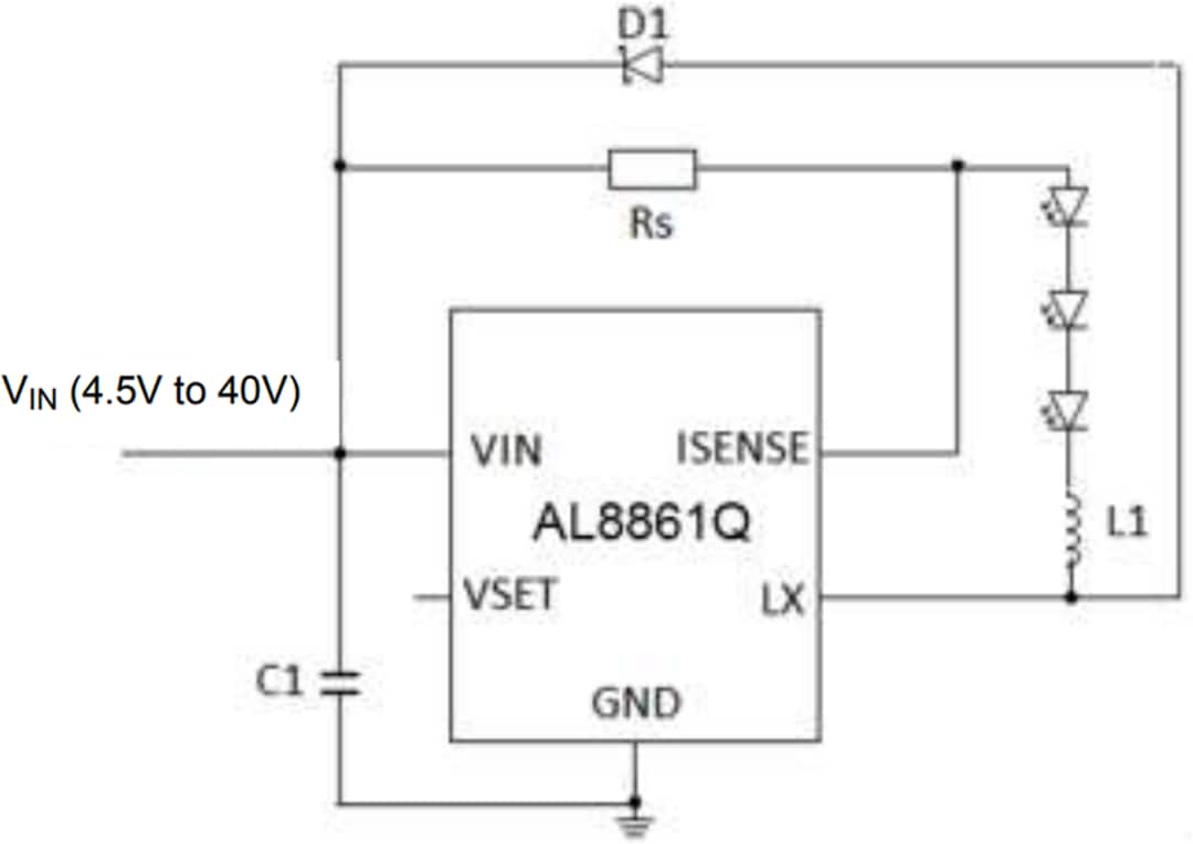
Diodes Incorporated AL8860QおよびAL8861Q車載グレードLEDドライバは、ヒステリシスモードDC-DC降圧型ドライバで、単一または複数のコネクテッドLEDをLED電圧より高い電圧源から効率的に駆動するように設計されています。AL8860QおよびAL8861Qのどちらも、4.5V~40Vの入力供給で動作できます。また、外部で調整可能な出力電流最大1.5Aも実現しています。供給電圧および外付け部品に応じて、これらのDC-DCコンバータは、最大40Wの出力電力を実現できます。AL8860QおよびAL8861Q LEDドライバには、低RDS(ON)パワースイッチとハイサイド出力電流検出回路が統合されており、公称平均出力電流を設定するために外部レジスタを使用しています。
調光は、外部制御信号をAL8860QのCTRLピンおよびAL8861QのVSETピンに適用することで具現化できます。ソフトスタート時間は、外付けコンデンサをCTRLまたはVESTピンから接地に接続することで調整できるようになります。0.2Vの電圧またはそれ以下の電圧をAL8860Q CTRLピンあるいはAL8861Q VSETピンに印加するとスイッチをオフにすることができ、デバイスは低電力スタンバイモードになります。
AL8860QとAL8861Q LEDドライバは、販売中の業界標準の無鉛MSOP-8EPパッケージで利用できます。これらのデバイスは、AEC-Q100 Grade 1の認定を受けており、PPAP(製造部品承認申請書)文書によってサポートされていて、自動車エレクトロニクス業界のすべての要件を満たしています。
特徴
- AEC-Q100グレード1準拠
- 広い入力電圧範囲: 4.5V~40V
- 出力電流: 最大1.5A
- 内部40V NDMOSスイッチ
- 典型的な5%の出力電流精度
- DC電圧またはPWM信号によるオン/オフと輝度制御用単一ピン
- AL8860Q: CTRLピン
- AL8861Q: VSETピン
- 高効率(>95%)
- 最大1MHzのスイッチング周波数
- 動作周囲温度: –40°C~+125°C
- LED短絡保護
- 固有の開回路LED保護
- センスレジスタ短絡保護
- 過温度上昇時シャットダウン
- ESD定格:
- AEC-Q100-002に準拠した人体モデル(HBM): ±3000V
- AEC-Q100-011に準拠した帯電デバイスモデル(CDM): ±1000V
- パッケージの種類: MSOP-8EP
- 完全無鉛でRoHSに完全準拠
- ハロゲンとアンチモンフリー「グリーン」デバイス
アプリケーション
- 自動車の内装用LEDランプ
- 自動車の外装用LEDランプ
プレスリリース
車載アプリケーション
公開: 2019-05-30
| 更新済み: 2023-07-21
