Diodes Incorporated AH49FQホール効果センサ
Diodes Incorporated AH49FQホール効果センサは、小型で汎用性の高いリニアホール効果センサで、永久磁石または電気磁石からの磁場によって動作します。このセンサには、低ノイズ出力回路が統合されており、外付けフィルタリング部品が不要です。電源電圧は、AH49FQセンサの出力電圧 を設定し、磁場の強さに比例して変化します。このセンサには高精度レジスタが搭載されており、温度安定性と精度の向上を実現しています。AH49FQホール効果センサは、位置センシング、液体レベルセンシング、重量検知、鉄金属検出器、ロータリーエンコーダ、磁気コード読み取り、および電流センシングに使用されます。特徴
- エネルギー効率のためのVCC=5Vで3mAの電力消費
- 単一電流ソーシング出力
- 回路設計の柔軟性を目的としたリニア電圧出力
- 低ノイズ出力によって事実上フィルタリングの必要性を排除。
- 安定した正確な出力
- 動作温度範囲:-40°C~+105°C
- 正または負のガウスに応答
- 最高50Vまでの瞬時供給電圧
- 高ESD定格:
- 人体モデル3000V
- 帯電デバイスモデル2000V
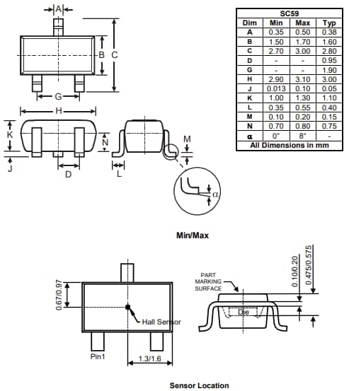
- 小型で薄型のSC59パッケージ
- AEC-Q100 Grade 2認定済
- 無鉛でRoHS準拠
- ハロゲンとアンチモンフリー「グリーン」デバイス
アプリケーション
- 位置センシング
- 液体レベルセンシング
- 重量センシング
- 鉄金属検出器
- 振動センシング
- ロータリーエンコーダ
- 磁気コード読み取り
- モーター制御
- 電流検出
機能ブロック図
パッケージ外形寸法
公開: 2023-06-13
| 更新済み: 2024-05-16
