Diodes Incorporated PI2DBS16212A 20Gbps 2:1 Mux/De-muxスイッチ
Diodes Incorporated PI2DBS16212A 20Gbps 2:1 Mux/DeMuxスイッチは、一般的な高速パッシブMux/DeMuxです。差動4~2チャンネル構成になっており、データレートは最速で20Gbpsまでです。独自の設計技法に基づいており、低挿入損失、クロストーク、リターン損失といった機器の動的電気特性を最適化します。Diodes Incorporated PI2DBS16212Aを使用すると減衰を最小限に抑えた高速信号切り替えが可能になり、PCIe4.0、USB3.2 Gen1、USB3.2 Gen2、10GE、Thunderbolt 4、SAS3.0、SATA3.0信号などさまざまな種類の信号に適しています。特徴
- 2つの差動チャンネル、2:1 Mux/DeMux
- 最速20Gbpsまでのデータレートをサポート
- 双方向動作
- 14GHz -3dB帯域幅
- 3psの低ビット間スキュー
- 低挿入損失(-0.94dB@5GHz、-1.16dB@8GHz、-1.25dB@10GHz)
- 20psの低チャンネル間スキュー
- リターン損失(-20dB@5GHz、-14.7dB@8GHz、-12dB@10GHz)
- 200µA(標準)低電力消費
- 1.8V ±10%電源電圧
- -40°C~85°C産業温度範囲
- 無鉛およびRoHSに準拠
- ハロゲンおよびアンチモンフリー「グリーン」デバイス
アプリケーション
- USB3.2 Gen1、USB3.2 Gen2、10GE、Thunderbolt 4、SAS3.0、SATA3.0をはじめとするアプリケーションで最速20Gbps
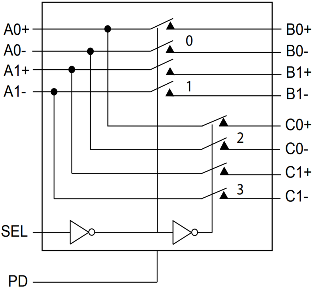
ブロック図
公開: 2021-06-01
| 更新済み: 2022-03-11
