Diodes Incorporated ZXMS81045SP IntelliFET®ハイサイドパワースイッチ
Diodes Incorporated ZXMS81045SP IntelliFET®ハイサイドパワースイッチは、露出ヒートシンク付きSO-8EP(Type E)パッケージに保護機能と診断機能を組み込んでいます。ZXMS81045SPは、モノリシックNチャネル垂直パワーMOSFETを備え、チャージポンプゲート電源を搭載した温度・電流センサを内蔵しています。オフ状態での自己消費電流が低く抑えられています。スイッチは、入力に対するアクティブHIGH 3.3Vおよび 5V論理レベルドライブによって有効になります。Diodes Inc ZXMS81045SPは、負荷電流に対する診断用の電流検出出力比、および診断用に定義された障害信号が特長で、過負荷動作、温度過昇、短絡、あるいはオープン負荷状態を通知します。
特徴
- 保護機能
- 外付け部品を使用した逆バッテリ保護
- 電圧依存の電流制限
- 自動再起動機能を搭載した温度過昇保護
- ロードダンプなどの過電圧保護
- 安定的な低電圧保護
- ESD保護
- 外付け部品による接地保護の喪失
- 拡張短絡保護
- 過負荷動作、温度過昇、または短絡の場合に定義された障害信号
- 診断機能
- 比例負荷電流検出出力
- 非常に低い負荷電流であっても検知精度を維持できる線形電圧降下規制
- ロジック入力による有効化
- 定義された温度および電流依存性
- オープン負荷検出
- オン状態での負荷電流検出の使用
- オフ状態での出力電圧検出の使用
- 比例負荷電流検出出力
アプリケーション
- 診断フィードバックを備えたハイサイドスイッチング:
- 12Vの接地負荷
- 抵抗、導電、容量負荷
- 高突入電流負荷に最適
- 白熱灯(P27W/P21W)、モーターなど
- 次を対象とした小型で低消費電力を実現している代替品:
- リレー、ヒューズ、ディスクリート回路
仕様
- 動作電圧: 5V~28V
- 最大電源電圧 41V
- 90mΩ(最大値)オン抵抗、TJ = +150°C
- 公称負荷電流 4A
- 標準電流センス比 1200
- 最小電流制限 25A
- 0.5µA(最大値)スタンバイ電流、TJ = +25°C
標準アプリケーション回路
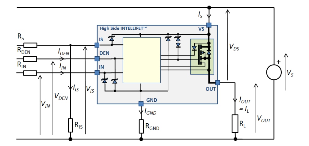
機能ブロック図
公開: 2023-03-29
| 更新済み: 2023-03-31
