Microchip Technology MCPF1412 16V、12Aスイッチングバックレギュレータモジュール
マイクロチップ・テクノロジー(Microchip Technology)MCPF1412 16V、12Aスイッチングバックレギュレータモジュールは、完全に統合されたポイントオブロード(PoL) 12Aパワーモジュールで、16A VINバックコンバータが搭載されています。このモジュールは、I2CおよびPMBus™インターフェイスをサポートしており、優れた性能、信頼性、効率的な電力変換、エネルギー損失の低減を実現するように設計されています。汎用性の高いMCPF1412デバイスには、構成とシステム監視を目的とした大幅な柔軟性が備わっており、デジタルインターフェイスなしでスタンドアロン動作に対応しています。これによって設計者は、シンプルな抵抗分圧器調整を使用して出力電圧を構成し、パワーグッド出力経由でシステムを監視できます。その他の機能には、過温度、過電流、過電圧保護をはじめとする複数の診断機能があります。仕様には、5.5V ~ 70Vの入力電圧範囲、-40°C ~+125°Cの 動作温度範囲、ランドグリッドアレイ(LGA)パッケージがあります。マイクロチップ・テクノロジー(Microchip Technology)MCPF1412モジュールは、寸法5.8mm x 4.9mm x 1.6mmのコンパクトなフォームファクタになっており、サーバ、ルータ、基地局、高電力密度PoL変換、テレコム機器に適しています。
特徴
- 出力インダクタ搭載PoLモジュール
- 連続12Aの負荷能力
- 外部補償不要
- I2CおよびPMBusを使用したプログラマブル動作
- イネーブル入力、プログラマブル低電圧ロックアウト(UVLO)回路
- 正常電源インジケータ
- 内蔵保護
アプリケーション
- サーバ
- ワークステーション
- クラウドコンピューティング
- 高電力密度PoL変換
- ルータ
- スイッチ
- 電気通信機器
- 基地局
- データセンター電源ソリューション
仕様
- 寸法:5.8mm x 4.9mm x 1.6mm
- 調整可能な出力電圧範囲: 0.6V ~ 1.8V
- 動作温度範囲: -40°C~+125°C
- リードフリー、ハロゲンフリー
- EU REACHおよびRoHSに準拠
代表的なアプリケーション
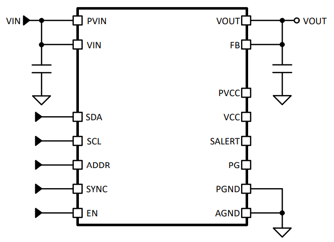
ブロック図
公開: 2025-04-28
| 更新済み: 2025-08-29
