Infineon Technologies BTS3080TFデモボード

Infineon Technologies BTS3080TFデモボードは、BTS3080TF高度に統合・温度保護されているMOSFET(HITFET™)スイッチの機能と性能を評価するように設計されています。このデモボードには、BTS3080TFスイッチがすでに取り付けられており、OUT、IN、およびGNDピンのコネクタが搭載されています。BTS3080TFデモボードは、1つの12V抵抗性、静電容量性、または誘導性負荷を駆動できます。このデモボードはRoHSに準拠しており、6V~31Vの供給電圧範囲内で動作します。

特徴

  • BTS3080TF HITFET™スイッチの機能と性能を評価します。
  • BTS3080TFスイッチがボードに取り付けられており、OUT、IN、およびGNDピン用のコネクタが搭載されています。
  • 12V抵抗性、静電容量性、または誘導性負荷を駆動
  • RoHS準拠
  • 6V~31V供給電圧範囲

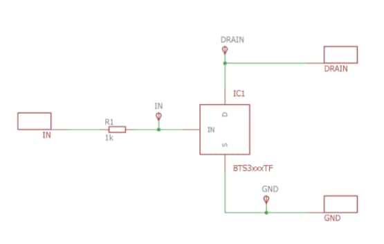
回路図

回路図 - Infineon Technologies BTS3080TFデモボード
公開: 2019-12-10 | 更新済み: 2024-01-23