Infineon Technologies 高圧側および低圧側ドライバ
Infineon Technologies高圧側および低圧側ドライバは、MOSFETおよびIGBTを制御するように設計されており、非インターロックチャンネルが2つ含まれています。このセレクションは、650V高圧側および低圧側のシリコンオンインシュレータ(SOI)ゲートドライバICが特徴で、高電流(2.5A)および低電流(0.7A)オプションがあります。Infineon高圧側および低圧側のドライバは、優れた耐久性とノイズ耐性が特徴で、モータドライブ、家電製品、SMPS、バッテリ駆動アプリケーション、ハイパワー照明に最適です。特徴
- ノイズ耐性
- 優れた耐久性
アプリケーション
- モータドライブ
- 家庭用電化製品
- SMPS
- バッテリ駆動アプリケーション
- ハイパワー照明
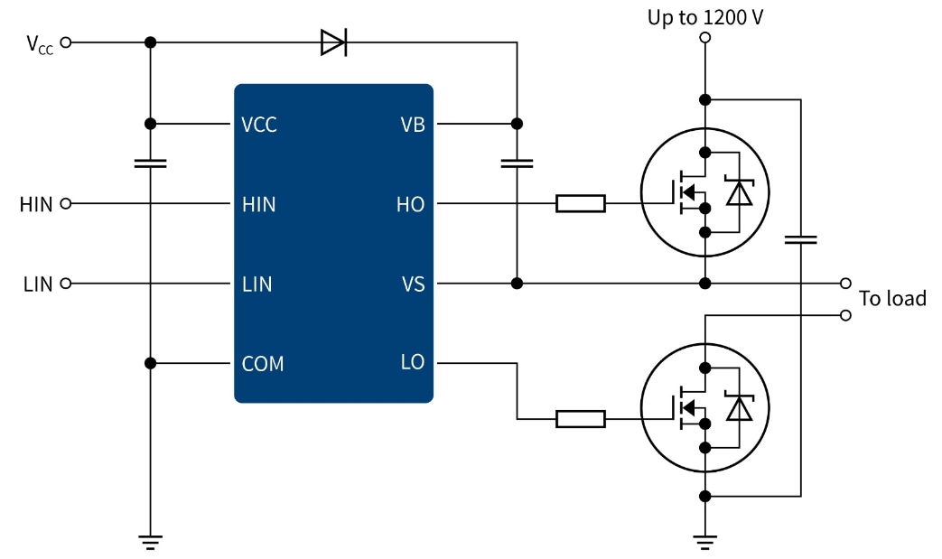
ブロック図
ビデオ
公開: 2023-07-10
| 更新済み: 2023-07-27
