Infineon Technologies TLD5099EP_VB2G電圧モード評価ボード
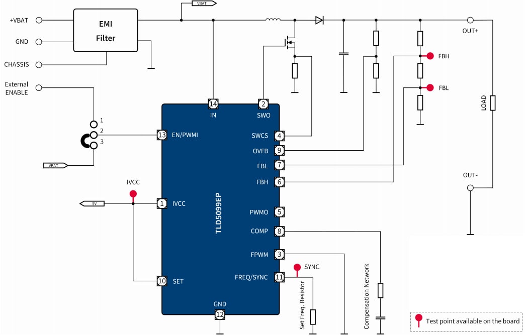
Infineon Technologies TLD5099EP_VB2G電圧モード評価ボードは、ミッドパワー・アプリケーションを対象としたアーストポロジに対するブーストにおいて、TLD5099EPコントローラを評価するように設計されています。この評価ボードは、93%以上の効率性をともない負荷に対して最大17Wを供給します。電流モードシャントに接続されているSWCSピンは、アース電流へのショートをわずかなアンペアに制限します。この評価ボードは、電圧出力が一定のDC-DC電源として実装できます。代表的なアプリケーションには、車載と照明があります。特徴
- 電圧モードブースト・アース・トポロジで構成されたTLD5099EPの評価を実施
- 電圧出力が一定のDC-DC電源
- 93%以上の効率性で負荷に最大17Wを供給
- アース電流への短絡は、電流モード・シャントに接続されているSWCSピンによってわずかなアンペアに制限
- 8V~27V供給電圧範囲
- 48V出力電圧
簡略図
性能グラフ
公開: 2020-08-10
| 更新済み: 2024-11-14
