Infineon Technologies TLE4973 XENSIV™コアレス電流センサ
Infineon Technologies TLE4973 XENSIV™ コアレス電流センサは、高精度、ミニチュア、磁気電流センサで、アナログインターフェイスと高速過電流検出出力が搭載されているACおよびDC測定を目的としています。差動測定原理によって、過酷な環境での動作の浮遊磁界のサプレッションが可能になり、高い構成可能性によってさまざまなアプリケーションをカスタマイズできます。ユーザープログラマブルパラメータ(OCD閾値や感度設定など)は、組み込みEEPROMに格納されています。デバイス構成は、1線式UARTベースのデジタル制御診断インターフェイス(DCDI)を介してsituで実行できます。DCDIインターフェイスは、デバイスの内部レジスタへの読取/書込アクセスを実現しており、デバイスは診断モードをトリガして温度、OCD、安全状態を読み取ることができます。このセンサは、オートアドレッシング機能を特徴としており、1つのバス上で最大8つのスレーブに対応できます。特徴
- 高精度、スケーラブル、DC/AC電流センシング
- 1000A以上の電流測定を目的とした最大± 34mTのフルスケール
- 5V 電源電圧
- アナログ出力
- TLE4973-xE35x5-S0001向けの差動構成が可能 (レシオメトリック出力オプションを含む)
- TLE4973-RE35x5-S0010のレシオメトリック・シングルエンド
- ASIL Bに応じた安全要件に適合するISO 26262 SEooC(Safety Element out of Context)
- 高電力密度を実現できる小型フォームファクタ
- 温度およびライフタイム全体にわたって感度の誤差が非常に低い
- 温度とライフタイム全体にわたるオフセットの優れた安定性
- 優れた漂遊磁場サプレッションを保証する差動センサの原理
- 高速応答時間と低位相遅延を実現する高帯域幅
- 閾値を設定できる過電流検出(最大検出時間< 1.0μs)
- 回路を追加することなくインシステムプログラミングとエンドオブライン較正用の統合チャージポンプ搭載EEPROM
- さまざまな配線スキームでの最適なシステムインテグレーションを実現する各種のパッケージソリューション
- デジタル制御と診断インターフェイス、温度読み出し、安全状態の読み出し、内部EEPROMへの読み取り/書き込みプログラミングアクセス、診断モードの制御を実現
- システムレベルのエラーを補償するためのインシステム・エンド・オブ・ライン較正の可能性があり、温度全体で予め較正済
- AEC-Q100、グレード 0認定
- RoHS準拠
アプリケーション
- メインおよび補助電気ドライブ
- 過負荷および過電流検出
- バッテリのメインスイッチ
- スマートサーキットブレーカ
- PVインバータ
- 電流監視と電源
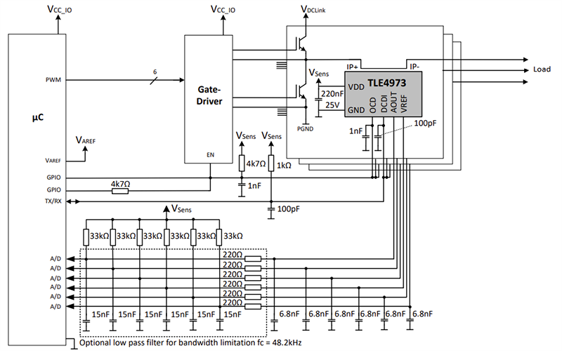
ブロック図
標準アプリケーション図
公開: 2023-11-28
| 更新済み: 2025-02-09
