KEMET FLLDシリーズ高性能EMIフィルタ

KEMET Electronics FLLDシリーズ高性能EMIフィルタは、汎用のコンパクトなフィルタで、産業機器での迅速なインストール用端子台が備わっています。FLLDシリーズは挿入損失特性が高く、形状が最適化されています。

アプリケーション

  • スイッチモード電源
  • サーボ駆動
  • ロボット工学
  • 再生可能ドライブ
  • バッテリ充電器
  • インバータ
  • コンバータ
  • パワードライブ
  • UPS機
  • プロセスオートメーション
  • その他の産業アプリケーション

FLLD3の一般的なアプリケーション図

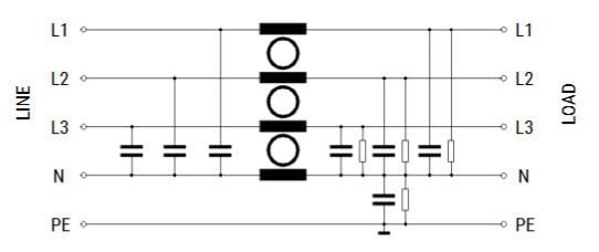
回路図 - KEMET FLLDシリーズ高性能EMIフィルタ

FLLD4の一般的なアプリケーション図

回路図 - KEMET FLLDシリーズ高性能EMIフィルタ
公開: 2018-02-15 | 更新済み: 2023-08-29