Littelfuse MHP-TAC Miniブレーカ
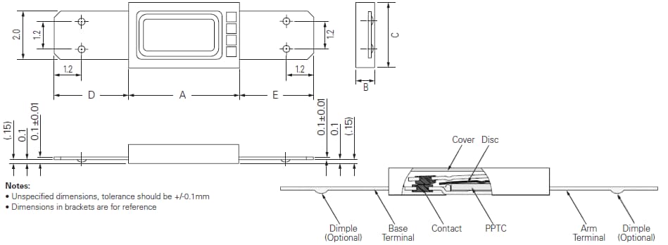
Littelfuse MHP-TAC Miniブレーカは、金属ハイブリッドPPTC機器で、一般的なMHP-TAMデバイスより小型サイズになっています。MHP技術は、バイメタル・プロテクタを、高分子正温度係数(PPTC)機器に並列接続します。これらのminiブレーカはヒーターとして機能し、障害が解除されるまでバイメタルをラッチしたままにします。MHP-TACは、リセッタブル過熱保護に役立ち、さらなる高容量リチウム(Ion)高分子およびプリズム電池の電池安全要件を満たしています。これらは、ラップトップPC、タブレット、スマートフォンといった大半のモバイル端末に使用されています。miniブレーカは、4.75mm x 2.8mm x 0.8mmの寸法でご用意があり、超パック設計になっています。特徴
- ミニチュア・サーマル・カットオフ(TCO)デバイス
- 高電圧定格(12VDC)、2レベルの電流定格(15Aおよび6A)
- リチウム(lon)ポリマおよびプリズム電池の過熱および過電流保護が特徴です。
- 複数のアクティベーション温度定格:
- 72°C、77°C、82°C、85°C、90°C
- 寸法: 4.75mm x 2.8mm x 0.8mm
アプリケーション
- ノートブックPC
- ウルトラブック
- タブレット
- スマートフォン
- 電子タバコ
- バッテリ駆動ポータブル・デバイス
MHP-TACの寸法
ビデオ
MHP-TAC電流対温度曲線
公開: 2018-08-12
| 更新済み: 2023-03-29
