Microchip Technology MCP14T0517プッシュプルトランスドライバ
マイクロチップ (Microchip) MCP14T0517プッシュプルトランスドライバは、3VDC~5.5VDC入力で動作するコンパクトな絶縁型電源用に設計されています。マイクロチップ (Microchip)MCP14T0517ドライバは2つのパワーMOSFETを統合し、プッシュプル、センタータップトランスを電源から直接駆動することができます。これらのデバイスは内部発振器を備え、これに続くゲート駆動段がグランド基準のNチャネルパワースイッチ向けに相補出力を提供します。各スイッチは制御された電圧スルーレートを備え、発振器はEMI低減に役立つ周波数ディザリングを採用しています。高精度な高調波配置や複数の変圧器ドライバとの同期が必要な場合にも、外部クロック源を使用することが可能です。内蔵保護機能には、代表的な2.5Aピーク電流制限、不足電圧ロックアウト(UVLO)、サーマルシャットダウン、スイッチングデバイスのデッドタイム制御が含まれます。ソフトスタート機能が搭載されており、起動時の突入電流を制限します。特に大容量の出力コンデンサが使用されている場合に有効です。2種類のスイッチング周波数オプションが用意されています:MCP14T0517AはEMI低減のため150kHzで動作し、MCP14T0517Bは小型トランスが必要な設計向けに450kHzで動作します。MCP14T0517ドライバはコンパクトな 6ピン SOT-23 パッケージで提供され、-40°C~+125°C温度範囲にわたって動作するように指定されています。
特徴
- プッシュプル型トポロジー用統合パワースイッチ
- 動作入力電源電圧範囲:3.0V~5.5V
- ピーク駆動電流容量:1.7A
- スイッチング周波数オプション:150kHzまたは450kHz
- 過熱保護および過電流保護
- マルチデバイス同期用の外部クロック入力
- 不足電圧ロックアウト(UVLO)保護
- 有効化機能
- ソフトスタート機能内蔵
- 低シャットダウン電流(標準値)<1µA
- 動作接合部温度範囲:-40°C ~ +125°C
- 6-lead SOT23-6パッケージ
- AEC-Q100自動車適格
- RoHS準拠
アプリケーション
- SiC/Si MOFSETとIGBT用の絶縁電源
- 絶縁通信インターフェース(CAN、LIN、USBなど)用バイアスジェネレータ
- 絶縁センシング回路図用バイアスジェネレータ
仕様
- 絶対最大電源電圧:+6V
- +15V 絶対最大定格 D1およびD2ピンの電圧
- 絶対最大スイッチ電流:3.5APEAK
- 絶対最大電力損失:0.5W
- 電源電圧範囲動作VDD:3V~5.5V
- 動作出力 スイッチ電流:1.5A
- 入力
- バイアス電圧範囲: 3V~5.5V
- バイアス電流
- MCP14T0517Aで最大7mA、標準4.5mA
- MCP14T0517Bで最大9mA、標準7mA
- 最大スリープ電流:<>
- UVLO閾値
- 最大正方向:2.95V
- 最小負電圧:2.65V
- UVLO閾値ヒステリシス範囲:75mV~15mV
- EN、SYNC端子論理レベル
- 「高」向け0.7V
- 「低」向け0.3V
- リーク電流
- ENピンで最大15µA
- SYNCピンで最大1µA
- D1およびD2ピンで最大1µA
- 集積パワースイッチ
- スイッチのオン抵抗(0.5A時)
- 最大200mΩ(5V時)
- 最大350mΩ(3V時)
- D1およびD2における標準的な電圧スルーレート:60V/µs
- 標準デッドタイム:50ns
- スイッチのオン抵抗(0.5A時)
- 発振器
- スイッチング周波数範囲
- MCP14T0517A: 140kHz~160kHz
- MCP14T0517B: 420kHz~480kHz
- SYNCピン上の外部同期信号
- 周波数範囲:60kHz~1,200kHz
- 負荷サイクル範囲 :10% ~ 90%
- スイッチング周波数範囲
- 熱シャットダウン
- 標準温度:+170°C
- +20°C標準ヒステリシス
- EIA/JESD51-3規格に準拠した190.5℃の耐熱性
- ESD定格
- ANSI/ESDA/JEDEC JS-001に準拠した±5000V 人間体モデル(HBM)、全ピン
- JEDEC仕様 JESD22-C101に準拠した±2000V チャージドデバイスモデル(CDM)、全ピン
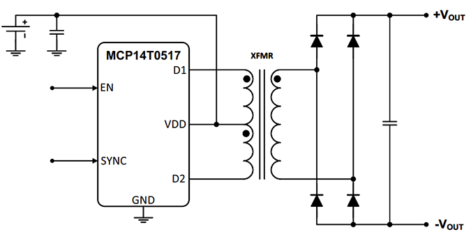
標準アプリケーション回路
機能ブロック図
公開: 2026-01-20
| 更新済み: 2026-02-02
