Mikroe Angle 2 click (MIKROE-2338)
MikroElektronika Angle 2 click (MIKROE-2338) は、超高速MA700角度センサ統合回路に依存する磁気回転センサです。500kHzという高データ出力データ・レートのおかげで、MA700 ICは、信頼性の高い絶対角度位置決めデータを最高100,000 RPMまでの速度で実現できます。さまざまな非接触角度計測アプリケーションに最適なソリューションです。このデバイスは、さまざまなロボティックおよび自動車アプリケーションのサーボ・ドライブに使用でき、機械式2次エンコーダの交換品としてBLDCモータ速度検出を目的としています。特徴
- 最高100,000RPMの磁気角度の正確な検出
- 軸のない磁石を使用した場合でも優れた直線性と低い誤差マージンを実現
- レイテンシフリーSpinaxis技術
- デフォルトのパラメータなどを永久保存するためのOTPメモリ
アプリケーション
- さまざまな非接触角度計測アプリケーション用のソリューション
- さまざまなロボティックおよび自動車アプリケーションのサーボ・ドライブに使用可能
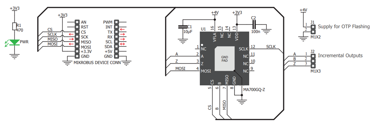
回路図
公開: 2018-12-20
| 更新済み: 2022-08-08
