Mikroe LDC1101 (MIKROE-3240)
MikroElektronika MIKROE-3240 LDC1101 clickは、インダクタンス-デジタル変換器Click Board™で、アプリケーション用に設計されており、誘導性測定に基づいています。オブジェクトの位置、回転、または動きの検出に使用できます。LDC1101には、統合、高分解能、高速、インダクタンス-デジタル変換器が搭載されています。このコンバータを使用すると、インダクタンスとインピーダンスを計測できるようになります。高速インピーダンス+インダクタンス (RP+L) モードには、両方のパラメータ用に個別の16読取機能が搭載されています。高分解能インダクタンス (LHR) モードには、24ビットの分解能で単一の読取値が備わっています。特徴
- 独立型コア2個が搭載されており、1個は16ビット・インダクタンスとインピーダンス・データを出力します。もう1個は、24ビット・インダクタンス・データを出力します。
- 広い動作周波数範囲によって、多くの種類の目的物をセンシングできるようになります。厳しい環境であっても信頼性の高いセンシングを行います。
- 2つの低消費電力モード: シャットダウン・モード、スリープ・モード
- インターフェイス: シリアル・ペリフェラル・インターフェイス・プロトコル
- 入力電圧: 3.3V
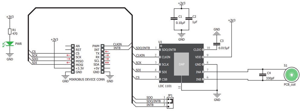
回路図
概要
公開: 2018-12-20
| 更新済み: 2022-08-08
