Monolithic Power Systems (MPS) MCQ1805 Hall-Effect Current Sensors
Monolithic Power Systems (MPS) MCQ1805 Hall-Effect Current Sensors are AEC-Q100 automotive-grade sensors designed for AC or DC current sensing. The MCQ1805 sensors' differential Hall array cancels stray magnetic fields, while a low-resistance primary conductor directs current near the IC. The current generates a magnetic field detected at two points by Hall-effect transducers. The difference in the magnetic field is converted into a voltage proportional to the current, and a spinning current technique ensures a low and stable offset. The MCQ1805 current sensors offer fast Over-Current Detection (OCD) to monitor the system for Over-Current (OC) faults. Typical applications include automotive systems, motor controls, Switch-Mode Power Supply (SMPS), and Over-Current (OC) fault protection.The MCQ1805 current sensors feature a 3kVRMS minimum isolation voltage, a 580VRMS maximum working voltage, a 120kHz bandwidth, ±2.5% total accuracy, and a 3.3V or 5V single-supply options. These current sensors are available in a small SOIC-8 footprint package, making it ideal for space-constrained applications.
Features
- 3.3V or 5V single-supply options
- Immune to external gradient magnetic fields via differential sensing
- Extreme low-noise density
- 3kVRMS minimum isolation voltage
- 580VRMS maximum working voltage
- ±2.5% total accuracy
- 5A to 50A bidirectional or unidirectional range
- 120kHz bandwidth
- Custom Over-Current Detection (OCD) from 50% to 240% of the Rated Current (IPMAX)
- Fast OCD with 1µs response time
- Output Voltage (VOUT) proportional to AC or DC currents
- Ratiometric output from supply voltage
- Factory-trimmed for accuracy
- Available in an SOIC-8 package
- Available in AEC-Q100 Grade 1
Applications
- Automotive systems
- Motor controls
- Load detection and management
- Switch-Mode Power Supply (SMPS)
- Over-Current (OC) fault protection
Typical Application Circuit
Functional Block Diagram
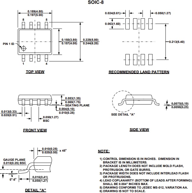
Dimensions
View Results ( 6 ) Page
| 部品番号 | 供給電圧 - 最大 | 供給電圧 - 最小 | 定格電流 | センサー タイプ | 出力タイプ |
|---|---|---|---|---|---|
| MCQ1805GS-310-BAEC-P | 3.6 V | 3 V | 10 A | Current Sense | Ratiometric |
| MCQ1805GS-505-UAEC-P | 5.5 V | 4.5 V | 5 A | Current Sense | Ratiometric |
| MCQ1805GS-550-UAEC-P | 5.5 V | 4.5 V | 50 A | Current Sense | Ratiometric |
| MCQ1805GS-310-BAEC-Z | 3.6 V | 3 V | 10 A | Current Sense | Ratiometric |
| MCQ1805GS-505-UAEC-Z | 5.5 V | 4.5 V | 5 A | Current Sense | Ratiometric |
| MCQ1805GS-550-UAEC-Z | 5.5 V | 4.5 V | 50 A | Current Sense | Ratiometric |
公開: 2025-03-11
| 更新済み: 2025-04-14
