Monolithic Power Systems (MPS) MP175L 700V Primary-Side Regulators
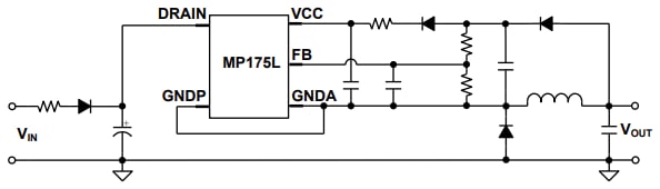
Monolithic Power Systems (MPS) MP175L 700V Primary-Side Regulators are non-isolated and offline regulators that provide accurate Constant-Voltage (CV) regulation without an optocoupler. These regulators support buck, buck-boost, boost, and flyback topologies. The MP175L regulators have an integrated 700V/4.5Ω MOSFET and high-voltage current source to simplify the structure and reduce costs. These regulators feature less than 30mW no-load power consumption, up to 9W output power, up to 600mA output current, and also include multiple protection features. The MP175L regulators are used in home appliances, white goods, consumer electronics, industrial controls, and standby power.The MP175L are green-mode operation regulators. Both the peak current limit (ILIMIT) and switching frequency (fSW) decrease with decreasing load. This feature provides excellent efficiency under light-load conditions and improves the overall average efficiency. The MP175L regulators are available in an SOIC-8 package.
Features
- Primary-side Constant Voltage (CV) control
- Supports buck, buck-boost, boost, and flyback topologies
- Integrates 700V/4.5Ω MOSFET
- Internal 700V high-voltage current source
- <30mW no-load power consumption
- Up to 9W output power (POUT)
- Maximum Continuous Conduction Mode (CCM) with an output current (IOUT) up to 600mA
- Low VCC operating current
- Frequency foldback
- Limited maximum frequency
- Peak-current compression
- Internally biased VCC
- Over-Temperature Protection (OTP)
- Under Voltage Lockout (UVLO)
- Overload Protection (OLP)
- Short-Circuit Protection (SCP)
- Open-Loop Detection (OLD)
- Brown-In protection
- Available in an SOIC-8 package
Applications
- Home appliances
- White goods
- Consumer electronics
- Industrial controls
- Standby power
Typical Application Circuit
Block Diagram
公開: 2024-03-19
| 更新済み: 2024-03-25
