Monolithic Power Systems (MPS) MPQ2167 Step-Down Converters

Monolithic Power Systems (MPS) MPQ2167 Step-Down Converters are 300kHz to 2.2MHz frequency programmable synchronous step-down converters. These devices achieve up to 4A of continuous output current with a peak current control for excellent transient response and efficient performance. The MPQ2167 synchronous buck converters operate from a 2.7V to 6V input voltage range and generate an output voltage as low as 0.606V. The device integrates a 35mΩ high-side MOSFET and a 25mΩ synchronous rectifier for high efficiency without an external Schottky diode.

The MPQ2167 converters can be configured for either Advanced Asynchronous Mode (AAM) or Forced Continuous Conduction Mode (FCCM) at light load. The AAM provides high efficiency by reducing switching losses, while the FCCM has a controllable frequency and lower output ripple. Typical applications include automotive infotainment, automotive clusters, automotive telematics, industrial supplies, and battery-powered devices.

Features

  • 2.7V to 6V operating input voltage range
  • Adjustable output from 0.606V
  • Up to 4A continuous output current
  • High-efficiency synchronous mode control
  • 35mΩ and 25mΩ internal power MOSFET
  • Programmable frequency up to 2.2MHz
  • 42μA Quiescent current
  • Low shutdown mode current
  • 100% duty cycle operation
  • Internal compensation mode
  • Selectable AAM or FCCM operation option
  • External soft start
  • Remote EN control
  • Power Good (PG) indicator
  • Cycle-by-cycle Over-Current Protection (OCP)
  • Short-Circuit Protection (SCP)
  • VIN Under-Voltage Lockout (UVLO)
  • VOUT Over-Voltage Protection (OVP)
  • Thermal shutdown
  • Available in QFN-11 (2mm x 3mm) package
  • Available in AEC-Q100 grade-1

Applications

  • Automotive infotainment
  • Automotive clusters
  • Automotive telematics
  • Industrial supplies
  • Portable instruments
  • Battery-powered devices

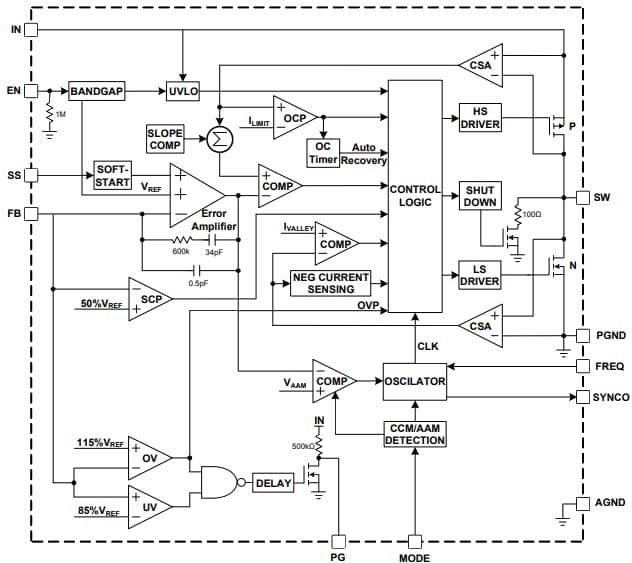
Block Diagram

Block Diagram - Monolithic Power Systems (MPS) MPQ2167 Step-Down Converters

Typical Application Circuit

Application Circuit Diagram - Monolithic Power Systems (MPS) MPQ2167 Step-Down Converters

Performance Graph

Performance Graph - Monolithic Power Systems (MPS) MPQ2167 Step-Down Converters
公開: 2021-03-04 | 更新済み: 2023-01-24