Monolithic Power Systems (MPS) MPQ3364-AEC1 Four-Channel WLED Driver

Monolithic Power Systems (MPS) MPQ3364-AEC1 Four-Channel WLED Driver is a configurable, fixed-frequency step-up converter designed to drive white LED arrays as backlighting for LCD panels. The MPQ3364-AEC1 uses peak current mode as its PWM control architecture to regulate the boost converter. Four current source channels are applied to the LED cathode to adjust LED brightness. The MPQ3364 regulates the current in each LED string to the value set by an external current setting resistor, with 2.5% current regulation accuracy between strings.

A low on-resistance MOSFET and headroom voltage are provided to improve efficiency. The MPQ3364 has a standard I2C digital interface for easy use. The switching frequency (fSW) can be configured via a resistor, I2C interface, or external clock.

The MPQ3364 provides analog, PWM, and mix dimming modes with a PWM input. The dimming mode can be selected via the I2C interface or the MIX/AD pin. The device also has a phase shift function to eliminate noise during PWM dimming.

Robust protections are included to guarantee the safe operation of the device. Protection modes include over-current protection (OCP), overvoltage protection (OVP), over-temperature protection (OTP), LED short, and LED open protection. The MPQ3364 can automatically decrease the LED current at higher temperatures.

The Monolithic Power Systems (MPS) MPQ3364-AEC1 WLED Driver is available in a compact 4.0mm x 4.0mm Quad Flat No-Lead (QFN) package and is AEC-Q100 qualified for use in automotive applications.

Features

  • 3.5V to 36.0V input voltage range
  • 4 channels with up to 150mA per channel
  • Internal 100mΩ, 50V MOSFET
  • Configurable fSW up to 2.2MHz
  • External sync SW function
  • Multi-dimming operation through PWM input, including:
    • Direct PWM dimming
    • Analog dimming
    • Mix dimming with 25% or 12.5% transfer point
  • 15000:1 dimming ratio in PWM dimming when fPWM ≤ 200Hz
  • 200:1 dimming ratio during analog dimming through PWM dimming signal input
  • Excellent EMI performance, frequency spread spectrum
  • I2C interface with 3 selectable IC addresses
  • Phase shift function for PWM dimming
  • 5% current matching
  • Cycle-by-cycle current limiting
  • Disconnect VOUT from VIN
  • Optional LED current can automatically decrease at higher temperatures
  • LED short/open, OTP, OCP, and inductor short protection
  • Configurable LED short threshold
  • Configurable OVP threshold
  • Fault indicator signal output
  • -40°C to +125°C operating junction temperature
  • 4.0mm x 4.0mm QFN-24 package
  • AEC-Q100 Grade 1 qualified
  • Lead-free, halogen-free, and RoHS compliant

Applications

  • Notebooks and tablets
  • Automotive displays

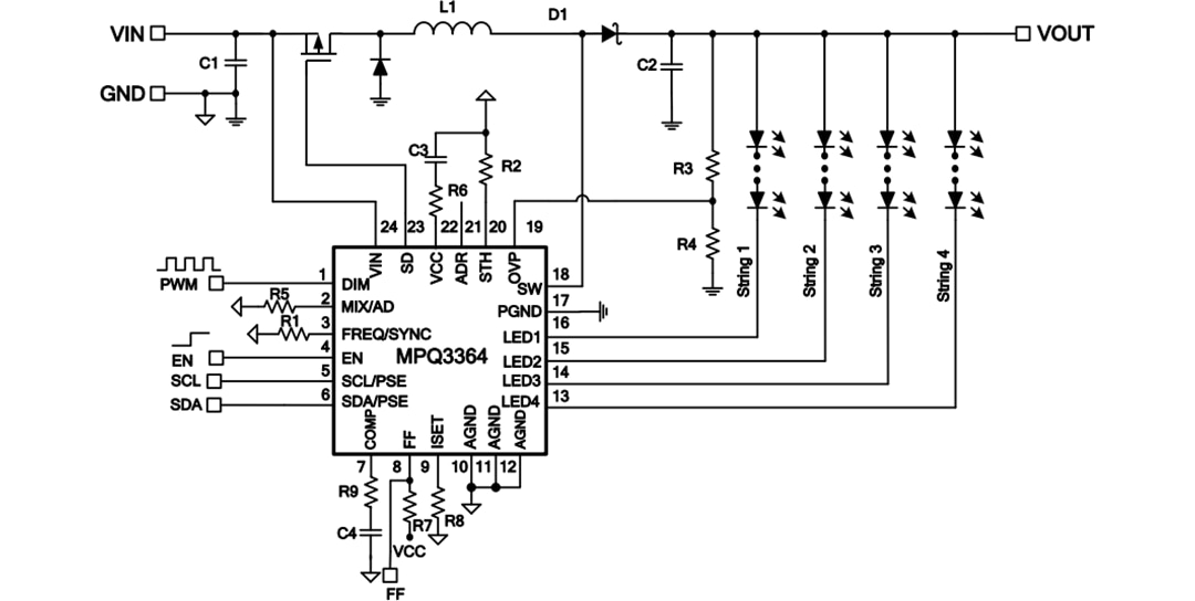
Typical Application Circuit

Application Circuit Diagram - Monolithic Power Systems (MPS) MPQ3364-AEC1 Four-Channel WLED Driver

Block Diagram

Block Diagram - Monolithic Power Systems (MPS) MPQ3364-AEC1 Four-Channel WLED Driver

Package Outline

Mechanical Drawing - Monolithic Power Systems (MPS) MPQ3364-AEC1 Four-Channel WLED Driver
公開: 2021-11-02 | 更新済み: 2022-09-26