Murata Power Solutions MEU1シリーズ絶縁型1W単一出力DC/DCコンバーター
ムラタMEU1シリーズ絶縁型1W単一出力DC/DCコンバーターは、画期的な超小型スルー ホール1W DC/DCコンバーターです。ZIP方式のピン配列を採用しています。MEU1シリーズは、-40 ºC~85 ºCの工業用温度範囲で利用可能な1Wの出力電力を提供します。この製品は、制御システム ボード上のローカル電源に最適であり、そのうえ1kVDCのガルバニック絶縁によりスイッチング ノイズを低減できるという利点もあります。正レールしか存在しないシステムに、絶縁された負レールを設けることもできます。このシリーズは、以前に発売されたこのシリーズの初代製品に比べてフットプリントが26%も低減しています(業界標準との比較ではありません)。特徴
- Footprint reduction of over 26% from previous generations of 1W DC/DC's
- UL60950 recognition pending
- Single isolated output
- 1kVDC isolation
- Efficiency up to 87% typical
- Wide temperature performance at full 1W load, -40°C to +85°C
- Power density of 2.61W/cm3
- 3.3V, 5V, and 12V input
- 3.3V, 5V, 9V, 12V, and 15V output
- Custom solutions available
- PCB mounting
仕様
- 67mA to 303mA output current range
- 6% to 14% maximum load regulation range
- 35mVp-p to 50mVp-p maximum ripple and noise range
- 103mA to 274mA input current range at rated load
- 28pF to 91pF typical isolation capacitance range
- 1.0W rated power
- 1000VDC minimum isolation test voltage
- 10GΩ minimum resistance
- 90kHz switching frequency
- Temperature ranges
- -40°C to +85°C operating
- -50°C to +125°C storage
- Free air convection cooling
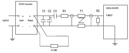
Differential Mode Noise Test Schematic
Package Specifications
公開: 2013-10-14
| 更新済み: 2025-12-11
