Nexperia 74LV123単安定マルチバイブレータ

Nexperia 74LV123単安定マルチバイブレータは、低電圧で再トリガ可能です。74LV123は、74HC123ならびに74HCT123との互換性があるピンおよび機能です。このベーシックなタイムパルスは、外部レジスタとコンデンサを使用してプログラミングされています。このベーシックな出力パルスが確立されると、制御ピンをハイまたはローすることで出力パルス周期を制御できます。入力でのシュミットトリガアクションは、回路が遅い入力の立上り時間と下降時間に対して高い耐性があるようにします。

特徴

  • 低電圧アプリケーション用に最適化: 1.0V~5.5V
  • VCC=2.7VおよびVCC=3.6V間のTTL入力レベルを受入
  • 一般的な出力グランド・バウンス:
  • 一般的な高レベル出力電圧(VOH)アンダーシュート: >2V@VCC=3.3VおよびTamb=25°C
  • アクティブ「ハイ」またはアクティブ「ロー」入力からトリガされたDC
  • 最大100%のデューティファクタのための非常に長いパルス向けに再トリガ可能
  • ダイレクトリセットによって出力パルスを終了
  • リセット入力を除くすべての入力でのシュミットトリガアクション

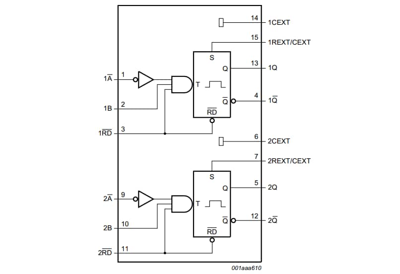
ブロック図

ブロック図 - Nexperia 74LV123単安定マルチバイブレータ
公開: 2016-03-24 | 更新済み: 2022-03-11