Nexperia SOT8015表面実装パッケージ製品
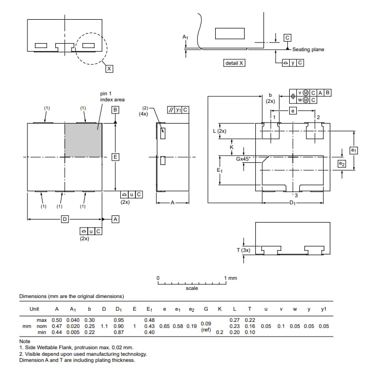
ネクスペリア (Nexperia) SOT8015表面実装パッケージ製品は、プラスチック、リードレス、極めて薄い小型外形パッケージになっており、サイドウェッタブルフランク(SWF)が備わっています。SOT8015は、3つの端子、0.65mmピッチおよび1.1mm x 1mm x 0.48mmのボディになっています。SOT8015パッケージには、HUSON(熱強化超薄型小型外形、リードなし)のパッケージスタイル記述コードがあり、1.4mm x 1.8mmフットプリントになっています。Nexperia SOT8015のフットプリント面積は2.52mm2 です。特徴
- B(下部)端子位置コード
- HUDON3パッケージタイプの記述コード
- DFN1110D-3パッケージタイプの業界コード
- HUSON(熱強化超薄型小型外形、リードなし)パッケージスタイルの記述コード
- P(プラスチック)パッケージ本体材料タイプ
- MO-340BA JEDECパッケージの外形コード
- S(表面実装)取付タイプ
- パッケージ外形の詳細グラフィックリファレンスなし
- 発行日:2019年11月29日
- SOT8015メーカーのパッケージコード
- フットプリント寸法:1.4mm x 1.8mm
- フットプリント面積 2.52mm2
パッケージの概要
ビデオ
パッケージ外形図
公開: 2022-07-22
| 更新済み: 2025-10-23
