NXP Semiconductors FXPS71407x車載用安全圧力センサ
NXP Semiconductors FXPS71407x車載安全圧力センサは、シグナルコンディショニングデジタル集積回路(IC) と結合されたNXP独自のMEMSセンシング技術を使用して設計されており、 4mm x 4mm x 1.98mmのQFNパッケージに収められています。このアーキテクチャは、拡張品質対策として冗長圧力トランスデューサから恩恵を受けています。2つの圧力範囲オプションをご用意: 40kPa ~ 132.8kPaおよび50.9kPa ~ 126.5kPa。FXPS71407xセンサは、ユーザーによる構成が可能なDSI3およびPSI5インターフェイスをサポートしており、デジタルローパスフィルタリングを搭載したデジタル信号プロセッサ(DSP)が組み込まれています。FXPS7140xファミリは、最大+125°Cの完全AEC-Q100認定取得済みで、AK LV 29要件に準拠しています。パッケージには、はんだ接合検査用のウェッタブルフランクがあります。FXPS7140xセンサは、ISO26262 2011 editionに従って開発されており、ASIL Dシステムに応じて使用できます。
特徴
- 検査可能なはんだ接合部/ウェッタブルフランク
- 2つの圧力範囲オプションをご用意
- 40kPa ~ 132.8kPa
- 50.9kPa ~ 126.5kPa
- 冗長圧力トランスデューサ
- キャパシタンス-電圧コンバータ(アンチエイリアスフィルタ搭載)
- シグマデルタ型アナログ・デジタル・コンバータ(ADC)とSincフィルタ
- ユーザーによる構成が可能なDSI3およびPSI5インターフェイスをサポートしており、デジタルローパスフィルタリングが搭載されたDSPが組み込まれています。
- 選択可能な370Hz、2極または400Hz、3極、4極 80Hz、1,000Hzローパスフィルタ(絶対圧力用)
- P0値向け0.16Hz、1極 LPF
- 10ビットΔP/P0出力
- AEC-Q100認定を取得済
- ISO26262 revision 2011認証済
- EMCおよび機械的処理のための堅牢な設計
- 自己テスト診断
- トランスデューサとシグナルチェーンの内部自己テスト
- 動作温度範囲: -40°C ~ +125°C
- 16ピンQFN 4mm x 4mm x 1.98mmパッケージ
アプリケーション
- エアバッグと衝突検出
- 横方向衝突検出
- 歩行者保護システム
- ドアと窓のピンチ検出
- 側面衝突検出
リソース
- データシート
- FXPS71407BPS PSI5互換相対圧力センサ
- FXPS71407S DSI3およびPSI5互換絶対および相対圧力センサ
- 製品の紹介
- アプリケーションノートAN14033– FXPS7140XxのDSI3通信手順推奨
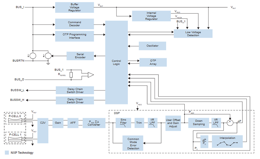
ブロック図
FXPS7140x PSI5トランシーバの図
FXPS7140 DSI3のアプリケーション図
FXPS7140 SPIのアプリケーション図
公開: 2025-08-05
| 更新済み: 2025-08-27
