32ビットArm® Cortex®-M7 S32K39xxマイクロコントローラと電圧レギュレータ、モータ制御コプロセッサ、eFlexPWM、LIN/CAN、イーサネット物理層が搭載されたアナログダイをベースとしており、このキットは最終的なハードウェア設計を待たずにBLDCとPMSM制御アプリケーションの迅速なプロトタイピングと評価が可能です。
MCSPTR2AK396アプリケーションソフトウェアは、車載用演算/モータ制御ライブラリ(AMMCLib)とリアルタイムドライバ(RTD)ソフトウェアパッケージを活用しており、完全なリファレンスを実装できます。
特徴
- ハードウェア機能
- 3相PMSMまたはBLDCモータ制御用に設計されており、内部CAN、イーサネット、LIN、SPI、DSP/MSC、QSPI、I2Cが搭載されています。
- リゾルバ、エンコーダ、ホール、センサレス技術位置/速度センサのオプションあり
- DCバス電圧と電流、位相電圧、BEMF電圧、過電流/電圧/温度保護、電圧/電流センサ
- ソフトウェア機能
- 正弦波モータータイプ (PMSM) の弱め界磁をし使用したフィールド指向制御制御(FOC)
- 非Autosarアプリケーションを対象としたANSI Cの用例とモデルベースの設計として利用可能
- 車載用演算/モータ制御ライブラリ(AMMCLib)は、プリコンパイルされたソフトウェアライブラリのブロックで構築されています。
- さまざまなレベルの制御構造でのアプリケーション調整と可変追跡を目的としたFreeMASTERとモータ制御アプリケーションチューニング(MCAT)ツール
- S32プラットフォームIDEのためのS32Design StudioとS32K39xx RTDで構成されたS32DSで作成されたソフトウェアなどのS32K39xxリアルタイムドライバ(RTD)
- リゾルバ搭載三相PMSMモータ、相あたり30V、3,000RPM、0.32Nm、95W、5.2Aモータ制御機能
- +24VDC 電源
- インターフェイス
- JTAG、イーサネット、CAN
- オンボードPEmicroデバッガ(マイクロUSBコネクタ)、シリアル通信用仮想COMポート付き
- 10ピンJTAG/SWDコネクタ
- イネーブルメント
- S32K396 RTDドライバで構築されたS32プラットフォームを対象としたS32 Design Studioで作成されたANSI-CベースのサンプルSW
- S32K396 RTDドライバで構築されたモデルベースの設計ツールボックス(MBDT)サンプルSW
- FreeMASTER可視化/設定サポート
- MCATツール(ソフトウェアパッケージの一部)
アプリケーション
- 自動車
- 電動二輪車
- 電気自動車(EV)トラクション・インバータ
- ハイブリッド電気自動車(HEV)アプリケーション
- 産業
- ブラシレスDCモータ(BLDC)制御
- 永久磁石同期モータ(PMSM)
ビデオ
キット内容
- S32K396-PCIeコントローラ・ボード
- MC33937Aプリドライバ集積回路に基づいた3相PMSM/BLDC低電圧電力段
- Micro USBケーブル
- +24 VDC電源
- ユニバーサルアダプタ
- PSE電源コード
- リゾルバ付き3相PMSMモータ、1位相あたり30V、3,000RPM、0.32Nm、95W、5.2A
キットのレイアウト
コントローラボードのレイアウト
電力段レイアウト
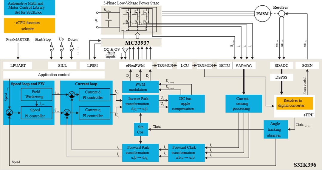
ブロック図
公開: 2024-12-18
| 更新済み: 2025-07-02
