各LED出力には、31.25kHzで動作する8ビット分解能(256ステップ)固定周波数個別パルス幅変調(PWM)コントローラ、および0% ~ 100%で調整できるデューティサイクルがあり、特定の輝度値を設定できます。追加の8ビット分解能(256ステップ)のグループPWMコントローラには、122Hzの固定周波数と15Hzとの間で調整できる周波数があり、0% ~ 99.6%の間で調整できる負荷サイクルにより16.8秒ごとに周波数を提供します。これは、すべてのLEDを同じ値で調光または点滅させるために使用されます。
各LED出力は、オフ、オン(PWM制御なし)、個々のPWMコントローラ値、または個々のPWMおよびグループPWMコントローラ値の両方で設定できます。PCA9957は、2.7V ~ 5.5Vの供給電圧範囲で動作します。また、定電流シンクLED出力によって、LED供給に対して最大5Vが可能になります。出力ピーク電流は、REXT = 2kΩで125μA~31.875mAの8ビット対応リニアDAC(デジタル・アナログ・コンバータ)を使用して調整できます。
このPCA9957には、開、短絡、過温度検出回路が内蔵されています。対応するレジスタからのエラー情報は、4線式シリアルバス経由で読み取ることができます。さらに、内部接合部温度がプロセス制限を超過すると、熱シャットダウン機能がデバイスを保護します。このデバイスは、4線式読み取り/書き込みシリアルバスを使用するように設計されており、より高いデータクロック周波数(最大10MHz)が備わっています。
PCA9957 LEDドライバは、コンパクトな5mm2 ヒートシンク超薄型クワッド・フラットパック・ノーリード(HVQFN)パッケージで販売されています。
特徴
- LEDドライバ24台、出力プログラマブル
- オフ
- オン
- 8ビット対応プログラマブルLED輝度
- 個別のLED輝度を混在させてグループ調光/点滅の8ビットプログラミング可
- プログラマブルLED出力遅延でEMIとサージ電流を削減
- すべてのチャネルの段階的制御
- 各チャンネルを6つの階調制御グループのいずれかに割り当て可
- ランプアップ/ランプダウン動作の時間と速度を段階的に変化させるプログラムが可能
- 0.5ms(最小)から512ms(最大)へステップ時間(6ビット)をプログラム可能
- ランプアップ後のホールドオン時間およびランプダウン(3ビット)後のホールドオフ時間を0s~6sでプログラム可能
- 最終的なランプアップおよびホールドオン電流をプログラム可能
- 輝度電流出力調整を線形または指数曲線にプログラム可能
- 24個の定電流出力チャネルは、最大32mAまでシンク可能で、最大5.5Vまで許容可能(オフの時)
- 外部抵抗器(REXT入力)を通じて出力電流を調整
- 出力電流の精度
- 30mA出力電流をともなう±6.5%絶対精度
- チャンネル変動に対して最大±4%チャンネル
- デバイスの変動に対して最大±6%デバイス
- 個々のLEDエラーを検出する開/短絡負荷/過熱検出モード
- 10MHzデータクロック速度が備わっている4線式シリアル・バス・インターフェイス
- 31.25kHzのPWM信号を使用して完全オフ(デフォルト)から最大輝度の完全オンまで変化するLED出力に従って線形にプログラム可能な256ステップ(8ビット)の輝度
- 256ステップのグループ輝度制御により、完全オフから最大輝度(デフォルト)までの一般的な調光が可能(122HzのPWM信号を使用)
- 256ステップのグループ点滅は、周波数が15Hz~16.8sにプログラム可能で、負荷サイクルは0%~99.6%
- アクティブ「低」出力イネーブル(OE)入力ピンによって、ハードウェアの点滅とLEDの調光が実現
- 8MHz内部発振器に外付け部品は不要
- 内部パワーオンリセット
- 電源投入時にLED出力にグリッチがない
- 小スタンバイ電流
- 2.7V ~ 5.5Vの動作電源電圧(VDD)範囲
- 非LEDピンでの5.5V公差入力
- ラッチアップ性能は100mA超(JESD78、Class IIによる)
- を超えるESD保護
- 2kV人体モデル(A114-A)
- 1kVデバイス帯電モデル(C101)
- 動作温度範囲:-40°C~+85°C
- パッケージ HVQFN-40
- 寸法: 5.0mm x 5.0mm x 0.85
アプリケーション
- RGBまたはRGBA LEDドライバー
- LEDのステータス情報
- LEDディスプレイ
- LCDバックライト
- スマートスピーカ
- VRヘッドセット
- ポータブルディスプレイ
- ポータブルファン照明
- キーパッドバックライト
- ブレスライト制御用フェードイン/フェードアウト
ドキュメント
ビデオ
ブロック図
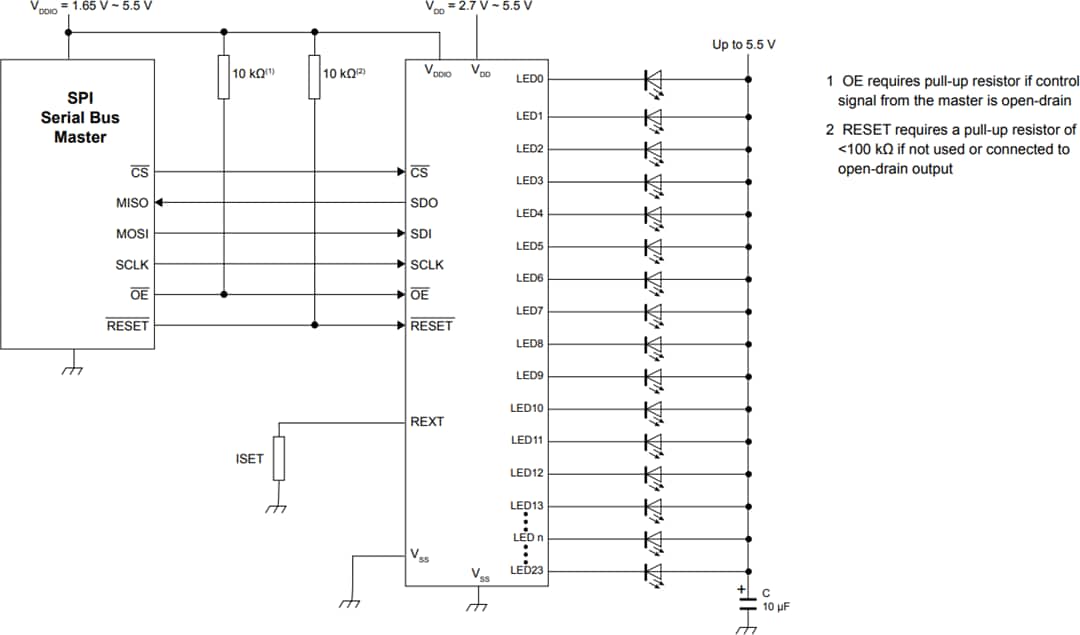
標準アプリケーション回路
