NXP Semiconductors PCA9959 LED照明ドライバ
NXP Semiconductors PCA9959 LED照明ドライバは、デイジーチェーンSPI互換4線式、シリアルバス制御、24チャンネル定プリセット電流LEDドライバです。このドライバは、63mA赤色、緑色、青色、琥珀色(RGBA) LEDの調光および点滅用に最適化されています。各LED出力には、6ビット分解能(64ステップ)プリセット電流構成と、 ±8%の絶対精度が備わっています。PCA9959は、2.7V ~ 5.5Vの供給電圧範囲で動作し、オープン短絡負荷および過温度検出回路が搭載されています。このドライバには、4線式読取/書込シリアルバスが使用されており、最大10MHzのより高いデータクロック周波数が備わっています。アプリケーションには、RGBA LEDドライバ、LEDステータス情報、IRコーディング通信、LCDバックライト、携帯電話用キーパッドバックライトがあります。NXP Semiconductors PCA9959 LED照明ドライバは、コンパクトな5mm x 5mm X 0.85mm HVQFN40パッケージで販売されており、-40°C~+85°Cの動作温度範囲が備わっています。特徴
- 各出力をプログラミングできる24個のLEDドライバ
- オフ
- オン
- 6ビット対応プログラマブルLED輝度
- プログラマブルLED出力遅延によってEMIおよびサージ電流を低減
- すべてのチャネルの段階的制御
- 各チャンネルは、4つの段階的制御グループの1つに割り当て可能
- 各チャンネルの段階制御のための64グリッド
- プログラマブルグリッド持続時間
- 段階制御中の各チャンネルに対して4つのプリセット電流オプション
- 個々のLEDエラーを検出するオープン/短絡負荷/温度過昇検出モード
- 24のプリセット定電流出力チャンネルは、最大63mAまでシンクでき、オフの時には最大5.5Vまで許容可能
- 外部レジスタ(REXT 入力)を介して出力プリセット電流を調整
- 出力プリセット電流の精度:
- 出力電流60mAでの絶対精度:±8%
- ±6.5%出力電流での30mA絶対精度
- チャンネル変動に対して最大±5%チャンネル
- デバイスの変動に対して最大±7%デバイス
- 低スタンバイプリセット電流
- アクティブ・ロー出力イネーブル(OE)入力ピン
- 動作電源電圧範囲: 2.7V~5.5V (VDD)
- 非LEDピンでの5.5V公差入力
- 動作温度範囲:-40°C~+85°C
- 4線式シリアル・バス・インターフェイス(10MHzデータ・クロック・レート)
- 内部パワーオンリセット
- ラッチアップ性能は100mA超(JESD78、Class IIによる)
- ESD保護は、JESD22-A114に準じた2kV HBMを上回る
- 5mm x 5mm x 0.85mm HVQFN40パッケージ
アプリケーション
- RGBまたはRGBAのLEDドライバ
- LEDステータス情報
- 携帯電話およびハンドヘルド機器用キーパッドのバックライト
- ブレスライト制御用フェードイン/フェードアウト
- LEDディスプレイ
- LCDバックライト
- プログラミングされたシーケンス/輝度を活用したIRコーディング通信
ビデオ
ブロック図
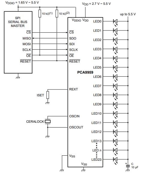
アプリケーション図
その他のリソース
公開: 2020-10-26
| 更新済み: 2024-09-04
