NXP Semiconductors TJA144x車載CAN FDトランシーバ
NXP Semiconductors TJA144x車載CAN FDトランシーバは、コントローラ・エリア・ネットワーク(CAN)またはCANフレキシブルデータレート(FD)プロトコル・コントローラと物理的な2線式CANバスの間のインターフェイスを実現します。NXP TJA144xの型式には、TJA1441(ベーシックCAN)、TJA1442(待機モードCAN)、TJA1443(スリープモードCAN)、TJA1448(デュアルチャンネル待機モードCAN)があります。すべての型式は、最速5Mbit/sまでのデータレートでCAN FD高速位相における信頼性の高い通信を実現できます。TJA144xは、高速クラシックCANおよびCAN FDトランシーバのシンプルな代替品として設計されています。デバイスにはピン互換性があり、ハードウェアとソフトウェアの設計変更を回避することを目的としています。これらの機能を使用すると、TJA144xを既存のアプリケーションに簡単にレトロフィットさせることができます。
NXP TJA144x車載CAN FDトランシーバは、AEC-Q100グレード0の認定を取得しており、高温アプリケーションに利用でき、150°Cの周囲温度での動作をサポートしています。
特徴
- HS CANとCAN FD(最速5Mbit/sまで)
- ISO 11898-2:2016、SAE J2284-1~5、SAE J1939-14に準拠
- 高速クラシックCANおよびCAN FDトランシーバとの完全相互運用性あり
- VeLIO準拠
- AEC-Q100 Grade-1 (タビエント = 125˚C) 認定を取得済
- AEC-Q100 Grade-0(タビエント = 150˚C)でご用意あり(TJR144x)
- HBMで±8kVの優れたESD堅牢性(IEC 61000-4-2に準ずる)
- SOおよびHVSONパッケージでご用意あり
- 自己診断機能を備えた堅牢な設計
- 製品制限値の全範囲でのギャップフリーで予測可能なフェイルセーフ動作
- 過熱保護
- 20PPB向けの設計
- 完全環境配慮型製品(RoHS準拠)
- NXPの旧世代のHS CAN製品とのピン-to-ピンおよびソフトウェア互換性あり
アプリケーション
- ボディと快適性
- 接続性
- インフォテインメントとIVE
- パワートレインと車両ダイナミクス
- 車両ネットワーキング
- 産業
TJR1441のブロック図
TJR1442のブロック図
TJR1443のブロック図
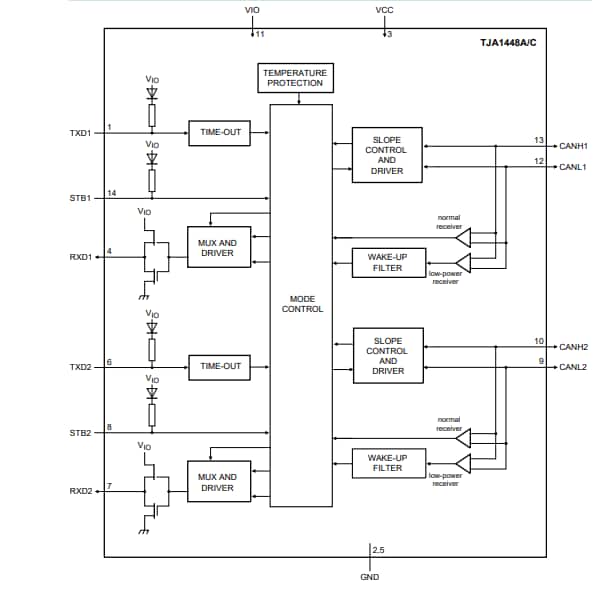
TJR1448のブロック図
公開: 2021-02-10
| 更新済み: 2024-09-09
