Ohmite TGH600 Thick Film SOT227 Resistors
Ohmite TGH600 Thick Film SOT227 Resistors are ideally suited for high-frequency and pulse-load applications. The series is designed for direct mounting onto a heat sink. Ohmite TGH600 Thick Film SOT227 Resistors provide up to 600W of power dissipation, 0.25Ω to 1KΩ resistance range with ±10% standard tolerance, and 500VDC maximum working voltage. Typical applications include variable speed drives, power supplies, control devices, telecom, robotics, motor controls, and other switching designs.Features
- 0.25Ω to 1KΩ resistance range
- ±10% resistance tolerance, ±5% on request
- ±250ppm/°C temperature coefficient
- 500VDC maximum working voltage
- 600W power rating at 85°C bottom-case temperature
- Dielectric strength up to 4KVDC against ground
- 500V isolation voltage (between R1 and R2)
- 2kVrms partial discharge, <80pC
- 10GΩ min. insulation resistance at 1kV
- Short-time overload: 1.25 x rated power at 85°C bottom case temperature for 10s, ΔR = 0.4% max.
- -55°to +150°C operating temperature range
Applications
- Variable speed drives
- Power supplies
- Control devices
- Telecom
- Robotics
- Motor controls
- Switching designs
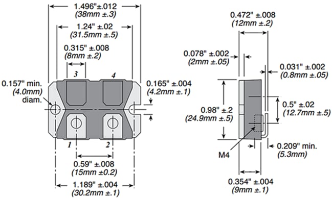
Dimensions
公開: 2017-09-19
| 更新済み: 2022-05-25
