Omron Industrial Automation J7MC手動モータスタータ
Omron Industrial Automation J7MC マニュアルモータスタータは、高い遮断容量(最大 100kA/440VAC )を備え、短絡事故時の大電流を遮断します。このモータ保護回路ブレーカ(MPCB)システムは、ロッカースイッチとロータリスイッチを使用し、過負荷、欠相、短絡から保護します。J7KC 電磁接触器と組み合わせることで、J7MCはAC-3級、2.2kW(200VAC ~240VAC)、または5.5kW(380VAC ~440VAC)のモータ制御に最適です。プッシュインPlus配線技術により、配線やメンテナンス時間を節約します。Omron J7MC手動モータスタータには、偶発的な設定変更を防止するスタンダードのダイアルカバーが装備されています。デバイスは、起動時の安全性を確保するたパドロックでロックされています。これらのコンパクトなモジュールは45mm幅に統一され、制御盤の小型化に貢献します。特徴
- 過負荷、欠相、短絡から保護するMPCBシステム
- 実装可能な45mm幅の小型モジュール
- プッシュインPlus配線技術により配線とメンテナンス時間を節約
- J7KC 電磁接触器と組み合わせることで、J7MCはAC-3級、2.2kW(200VAC ~240VAC)、または5.5kW(380VAC ~440VAC)のモータ制御に最適
- 誤操作による設定変更を防止するダイヤルカバーを標準装備
- 起動時の安全性を確保するパドロックによるロック式
- 主要な安全規格に準拠した認証済
アプリケーション
- PCB組立生産ライン
- モータブレーカ
仕様
- 高い遮断容量:最大100kA/440VAC
- トリップクラス
- Class 10、150%で4分以内に動作(ホットスタート時)
- 720%で4秒〜10秒以内に動作(コールドスタート時)
- 定格電流 0.16A~20A
- 3極
- 定格絶縁電圧:690VAC
- 定格インパルス絶縁耐力:6kV
- 50Hz~60Hzに周波数定格済
- IP20保護
- 動作温度範囲: -20°C~+60°C
- 95% RH(結露や着氷なし)
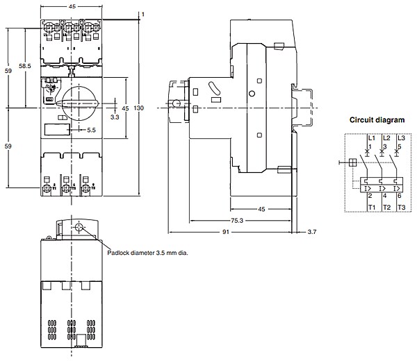
J7MC-3Rの寸法(mm)
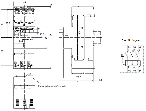
J7MC-3Pの寸法(mm)
公開: 2020-03-27
| 更新済み: 2024-03-27
