onsemi / Fairchild FSB50825ABスマートパワーモジュール

ON Semiconductor FSB50825ABスマート・パワー・モジュール(SPM®)は、小型パワーモータ駆動アプリケーションのためのコンパクトなインバータモータソリューションです。このモジュールには、6つの高速リカバリMOSFET(FRFET)とFRFETゲート駆動用の3つのハーフブリッジ高電圧統合回路(HVIC)が含まれています。FSB50825ABは、最適化されたスイッチング速度の低EMI特性を実現しています。SPMは、組み込みブートストラップダイオードが特徴で、SPM23DD-21Lパッケージでご用意があります。SPM23DD-21Lパッケージは、熱性能およびコンパクトさを目的に最適化されており、内蔵モータアプリケーションに適しています。また、このSPMには、インバータ電流センシングアプリケーション用に3つの分割された負のDCリンク端子も搭載されています。FSB50825ABSPMは、小型電源ACモータドライブを対象とした3相インバータドライバでの使用に最適です。

特徴

  • 250VRDS(on)=0.45Ω (max) 3-phase FRFET inverter including High Voltage Integrated Circuit (HVIC)
  • Three divided negative DC-link terminals for inverter current sensing applications
  • HVIC for gate driving and under-voltage protection
  • Optimized for low electromagnetic interference
  • Isolation voltage rating of 1500VRMS for 1min
  • HVIC temperature sensing
  • An embedded bootstrap diode in the package
  • RoHS compliant

仕様

  • 20V control supply voltage (VCC)
  • -0.3 ~ VCC +0.3V input signal voltage (VIN)
  • 250V (maximum) repetitive reverse voltage (VRRMB)
  • 0.5A forward current (IFB) @ TC=25ºC
  • -40ºC ~ 150ºC operating junction temperature (TJ)

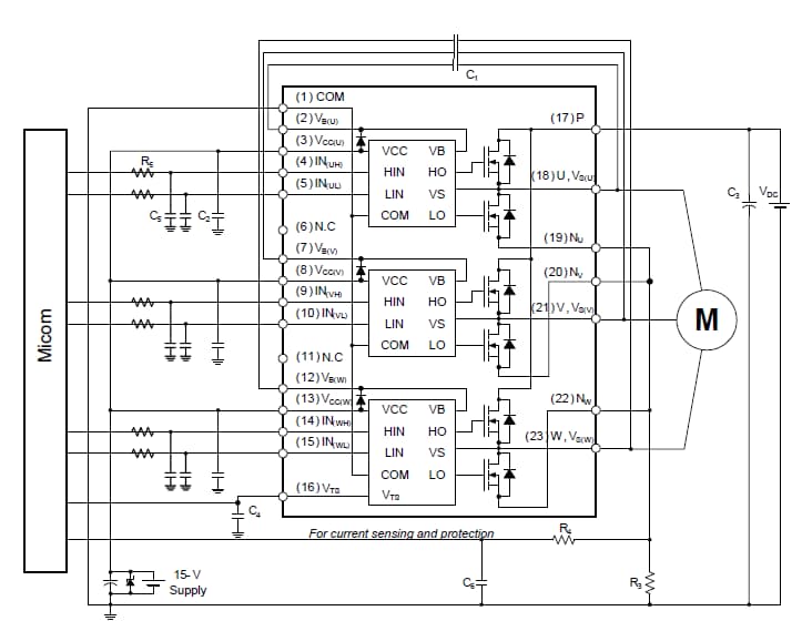
Application Circuit

アプリケーション回路図 - onsemi / Fairchild FSB50825ABスマートパワーモジュール
公開: 2017-04-06 | 更新済み: 2022-03-11