NCID9401およびNCID9411は、厚いセラミック基板を特徴とし、薄膜オンチップコンデンサやコアレストランスフォーマーの約25倍の厚さのコンデンサを提供します。その結果、デジタルアイソレータが提供する電気的性能の利点と、過去に光カプラが提供してきた>0.5mmの絶縁バリアの安全性と信頼性が組み合わされます。
Onsemi NCID9401&NCID9411高速クワッドチャンネル・デジタルアイソレータは、16ピンのワイドボディ小型外形パッケージで利用可能です。
特徴
- 信頼性の高い高電圧絶縁を達成するオフチップ容量絶縁
- 絶縁材を通る距離(DTI):0.5mm以上
- 2000Vpeak最高作動絶縁電圧
- 双方向通信
- 100kV/s最小コモンモード除去
- 信頼性の高い高電圧絶縁を確保するための、8mmの沿面距離とクリアランス距離
- 供給電圧:2.5V〜5.5V
- -40°C~+125°C拡張周囲温度範囲
- 過熱検出
- 出力イネーブル機能(一次および二次側)
- 固有のサイトと制御変更要件を必要とする車載用およびその他のアプリケーションを対象としたNCVプレフィックス(AEC-Q100認定済でPPAP対応)
- 安全および規制に関わる承認
- UL1577、5,000VRMS(1分間)
- DIN VDE V 0884−11(申請中)
アプリケーション
- 絶縁PWM制御
- 産業フィールドバス通信
- マイクロプロセッサ・システム・インターフェイス(SPIおよびI2C)
- プログラム可能ロジック制御
- 絶縁データ・アクイジション・システム
- 電圧レベル変換器
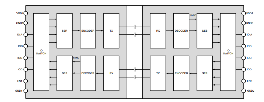
ブロック図
公開: 2020-12-04
| 更新済み: 2024-05-31

