内部補償されたデジタルループ制御により、バレースイッチングを活用した定オン時間CCMアーキテクチャが実装されています。サイクル毎の電流制限は、ホール効果センサなしで具現化されています。NCP1680の部品は、90VAC~265VACの範囲で最高350Wで動作します。300Wおよび230VAC主電源入力では、最高99%までの効率性を実現できます。 これらはSOIC-16パッケージに収められており、エネルギー効率規制に準拠および無鉛でハロゲン化物フリーです。onsemiのNCP1680コントローラICは、力率補正およびオフライン電源アプリケーションでの使用に最適です。
特徴
- トーテムポールPFCトポロジにより、入力ダイオードブリッジを排除
- 臨界伝導モード(CRM)動作
- 軽負荷状態でバレーがONになる不連続導通モード(DCM)
- 最小周波数25kHzのDCMにおける周波数フォールドバック
- 超軽負荷状態でのスキップモード
- 独自の電流センススキーム
- デジタル電圧ループ補償
- AC線監視回路
- AC位相検出
- すべての動作モードでほぼ単一の力率
- PFC OKインジケータ
- すべての電力レベルで最適化された性能
- SOIC-16パッケージタイプ
- 湿度感度レベル(MSL)1
- 無鉛、ハロゲン化物フリー
アプリケーション
- 工業電源
- テレコム5G電源
- ネットワーク電源
- ゲームコンソール電源
- UHD TV電源
- コンピューティング電源
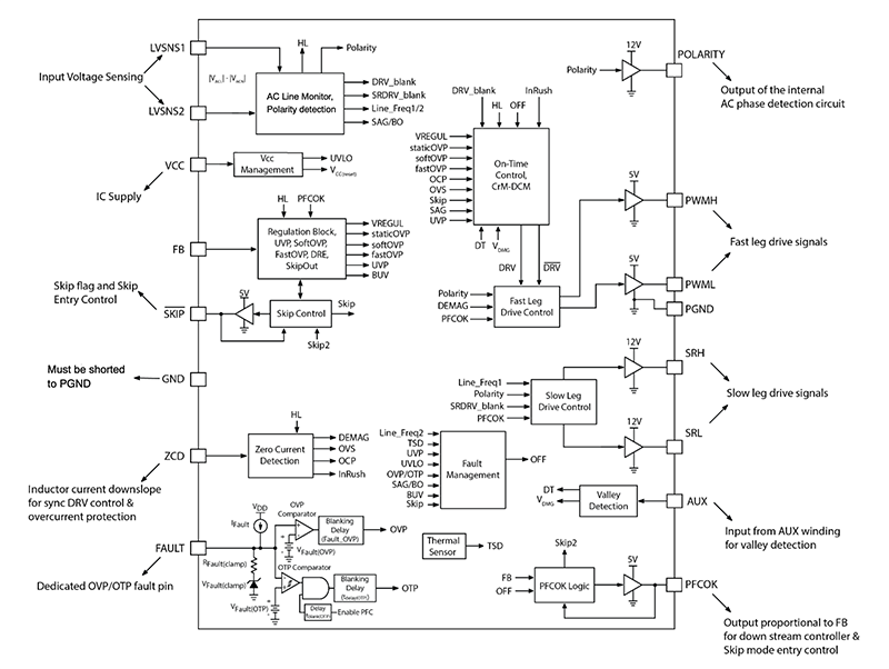
ブロック図
公開: 2021-06-24
| 更新済み: 2026-04-03

