特徴
- IGBTミラープラトー電圧で大電流出力(+4/-6A)
- 強化されたIGBT駆動用低出力インピーダンス
- 正確なマッチングによる短伝播遅延
- スプリアスGATEターンオンを防止するアクティブミラークランプ
- プログラマブル遅延でのDESAT保護
- DESAT向け負の電圧(最低-9V)機能
- IGBT短絡時のソフトターンオフ
- 短絡時のIGBTゲートクランプ
- IGBTゲート・アクティブ・プルダウン
- バイアスの柔軟性のための厳しいUVLO閾値
- 負のVEE2を含む広いバイアス電圧範囲
- 入力供給電圧: 3.3V~5V
- AEC-Q100認証向け設計
- (UL1577要件を満たす)5000Vガルバニック絶縁
- 1200V作動電圧(VDE0884-10要件に準拠)
- 高過渡耐性
- 高電磁気耐性
- 無鉛、ハロゲンフリー、RoHS準拠
アプリケーション
- 車載電源
- HEV/EV パワートレイン
- OBC
- BSG
- EV充電器
- PTCヒーター
簡略ブロック図
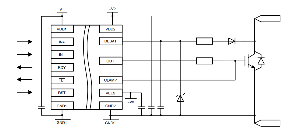
簡素化されたアプリケーション・スキーム
Additional Resources
公開: 2019-04-30
| 更新済み: 2024-01-31

