onsemi Type-C™ FUSB251 CCおよびSBU保護IC
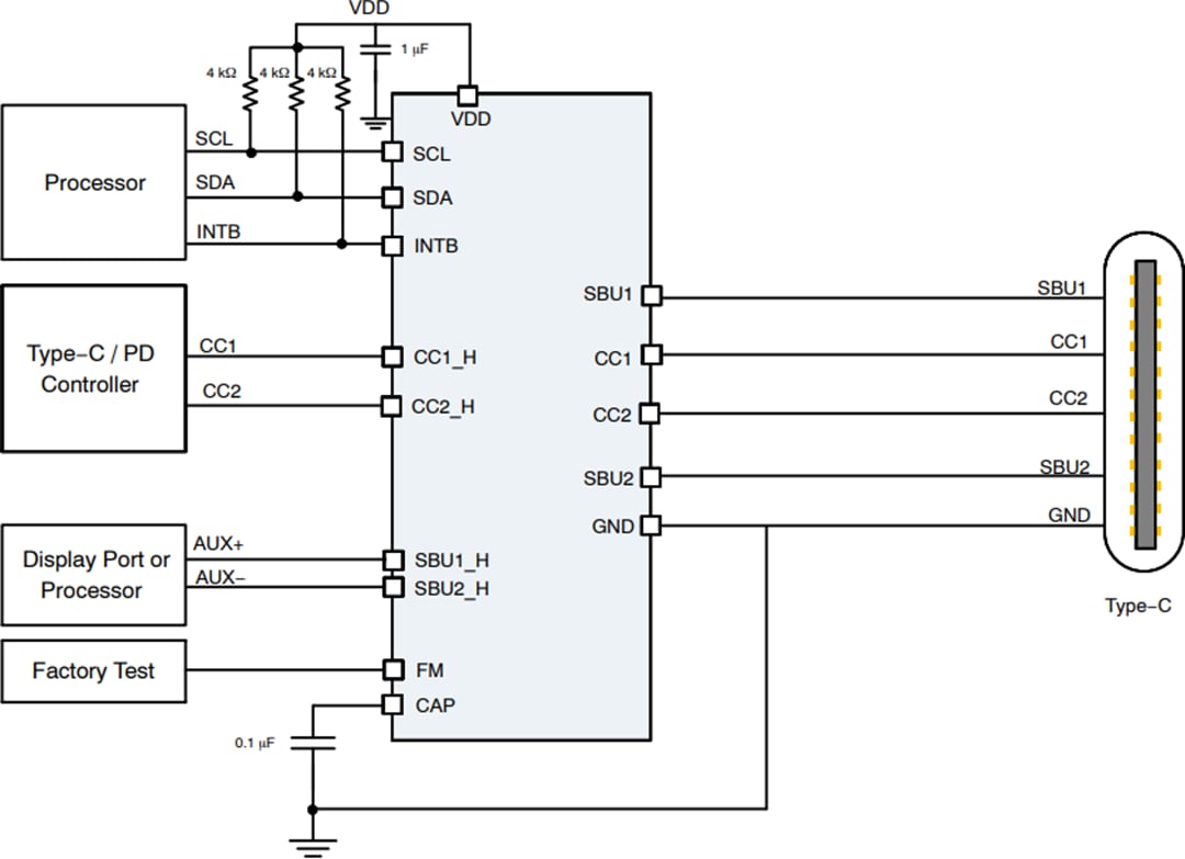
onsemi FUSB251 Type-C™ CCおよびSBU保護ICは、I2C制御の過電圧保護スイッチで、Type-Cインターフェイス・ポートのCCおよびSBUピンで機能するように設計されています。このデバイスには、CC1/2とSBU1/2にSBU1/2スイッチがあり、Type-C PDコントローラが過電圧保護CCパスを使用できるように、検証済のVDDで自動的に有効になります。FUSB251には、デッドバッテリモードとRdでプルダウンされているCCがあり、ソース・デバイスはバッテリ充電のためのVbusを供給できます。また、FUSB251は、ADC検出を活用したCCおよびSBUパスの両方での湿感検出も特徴です。湿気が検出されると割込が生成され、対応するレジスタが更新されてホストに通知されます。FUSB251には、オンチップIEC保護があり、CCおよびSBUパスの両方でのサージ保護が備わっています。CCおよびSBUのポート両方で20V DCを許容します。FUSB251は、コンパクトな1.49mm x 2.06mm x 0.574mm 15ボール・ウェハーレベル・チップ・スケール・パッケージ(WLCSP)で販売されており、スペースに制約のあるアプリケーションに最適です。
特徴
- USB Type-CのCC1/2およびSBU1/2パスの両方での低Ron SPSTスイッチ
- デッド・バッテリ・モードでは、CC1/2でのデフォルトRdを実現
- CCおよびSBUでの24V DC耐性
- CCおよびSBUでの±35Vサージ保護
- CCおよびSBUでの過電圧保護
- イベント通知のための割り込みが備わっているプロセッサとのI2Cインターフェイス接続
- CCおよびSBUピンでの水分検知
- CAPピンでの外付けコンデンサを活用したオンチップIEC ESD保護
- CC Ron 0.3Ω Typical
- SBU Ron 3Ω Typical
- SBUスイッチで50MHzの帯域幅
- パッケージの種類: WLCSP-15
- パッケージの寸法: 1.49mm x 2.06mm x 0.574mm
アプリケーション
- スマートフォン
- タブレット、ネットブック、ウルトラモバイルパソコン
- ゲーム機、電子書籍
- リチウムイオンバッテリを用いたポータブルデバイス
- 外付けUSBストレージ
標準アプリケーション回路
ブロック図
公開: 2019-04-17
| 更新済み: 2024-01-30
