onsemi HCPL3700Mオプトカプラ
Onsemi HCPL3700Mオプトカプラは、電圧/電流閾値検出デバイスで、閾値検出入力バッファICに接続されたAlGaAs LEDで構成されています。このICは、高ゲインダーリントン出力に光学的に結合されています。これらのオプトカプラには、単一レジスタを使用して広範な入力電圧全体で閾値レベルを制御できる入力バッファチップが搭載されています。出力はTTLおよびCMOSとの互換性があります。HCPL3700Mオプトカプラは、デバイスのプログラマブルセンス電圧および論理レベル互換性が特徴です。これらのオプトカプラは無鉛で、0°C ~ 70°Cの温度範囲全体で保証された閾値があります。HCPL3700Mオプトカプラは、 低電圧検出、5V ~ 240V AC/DC電圧センシング、リレー接点モニタ、電流センシング、マイクロプロセッサインターフェイス、工業制御に適しています。特徴
- ACまたはDC入力
- プログラマブルセンス電圧
- 論理レベルの互換性
- 0°C ~ 70°C温度範囲全体で保証された閾値
- これらは無鉛デバイスです
- 安全および規制に関わる承認:
- UL1577、AC5000VRMS(1分間)
- DIN EN/IEC60747-5-5
アプリケーション
- 低電圧検出
- 5V ~ 240V AC/DC電圧センシング
- リレー接点モニタ
- 電流センシング
- マイクロプロセッサ・インターフェイス
- 産業用制御機器
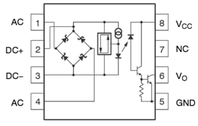
電気接続
ブロック図
View Results ( 5 ) Page
| 部品番号 | データシート | 説明 |
|---|---|---|
| HCPL3700SDVM | ![]() |
論理出力オプトカプラ AC/DC to Logic Interface Optocoupler |
| HCPL3700SM | ![]() |
論理出力オプトカプラ AC/DC to Logic Interface Optocoupler |
| HCPL3700SDM | ![]() |
論理出力オプトカプラ AC/DC to Logic Interface Optocoupler |
| HCPL3700M | ![]() |
論理出力オプトカプラ AC/DC HI-SPEED LOGIC INTERFACE |
| HCPL3700VM | ![]() |
論理出力オプトカプラ 8PW AC/DC INTF DIP |
公開: 2024-09-30
| 更新済み: 2024-10-28

