onsemi NCV51561絶縁デュアルチャンネルゲートドライバには、5kVRMS 2つのガルバニック絶縁型ゲートドライバ・チャンネルによって提供される最大1500VDCの作動電圧があります。これらのチャンネにより、2つの低圧側、2つの高圧側スイッチ、またはプログラマブルデッドタイムが備わったハーフブリッジドライバなど多くの構成が可能になります。
NCV51561は、ゲートドライバとデッドタイム調整機能の両方を対象に、独立した低電圧誤動作防止機能といったその他の重要な保護機能を実現しています。
特徴
- 4.5Aのピークソース、9Aのピークシンク出力電流能力
- 柔軟性に富んだデュアル下側、デュアル上側、またはハーフブリッジゲートドライバ
- 両方の出力ドライバの独立したUVLO保護
- 6.5V~30Vの出力電源電圧(MOSFET向けには5Vおよび8V、SiC向けには13Vおよび17VのUVLO、しきい値)
- コモンモード過渡耐性 CMTI > 200V/ns
- 伝搬遅延:36ns(標準)
- 1チャンネルあたり5nsの最大遅延マッチング
- 5ns(最大)のパルス幅歪み
- ユーザーによるプログラムが可能な入力ロジック
- ANBを介したシングルまたはデュアル入力モード
- ENABLEまたはDISABLEモード
- ユーザーがプログラミングできるデッドタイム
- 車載アプリケーション条件でAEC-Q100認定
- 絶縁と安全性
- 5kVRMS 絶縁/1分間(UL1577要件に準拠)および出力チャネル間の1500Vピーク差動電圧
- 8000VPK強化絶縁電圧(VDE0884-11要件に準拠)
- GB4943.1-2011に沿ったCQC認証
- IEC 62386−1に準じたSGS FIMO認証
- 無鉛デバイス
アプリケーション
- オンボードチャージャー
- xEV DC/DCコンバータ
- トラクション・インバータ
- 充電ステーション
ビデオ
インフォグラフィック
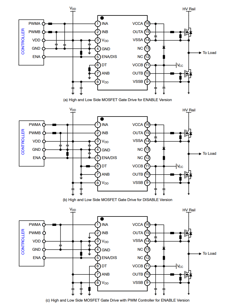
標準アプリケーション回路
公開: 2022-08-22
| 更新済み: 2024-05-16

