特徴
- 1.65V~5.5VのVCC 動作用に設計
- tPD: 2.4ns (VCC = 5Vの場合)(標準)
- 最大5.5Vの入力/出力過電圧許容差
- IOFF は、パーシャルパワーダウン保護をサポート
- 3.0Vで24mAソース/シンク
- ±100mAラッチアップ性能
- 動作温度範囲:-55°C~+125°C
- US8、UDFN8、UQFN8パッケージでご用意あり
- チップの複雑性 < 100 FET
- ほぼゼロの静的電源電流によって、システム電力要件を大幅に削減
- 3ステート OE入力はアクティブロー
- 湿度感度レベル(MSL)1
- UL 94V-0可燃性等級
- 固有のサイトと制御変更要件を必要とする自動車用およびその他のアプリケーションを対象とした-Qサフィックス、AEC-Q100認定、PPAP対応
- 鉛フリー、ハロゲンフリー/BFRフリーで、RoHSに準拠
アプリケーション
- バスドライバ
- データ絶縁
- 信号バッファリング
- 制御ロジック
- レベルシフト
- ファンアウトアプリケーション
- メモリアプリケーション
- マイクロコントローラインターフェイス
- LEDドライバ
論理シンボル
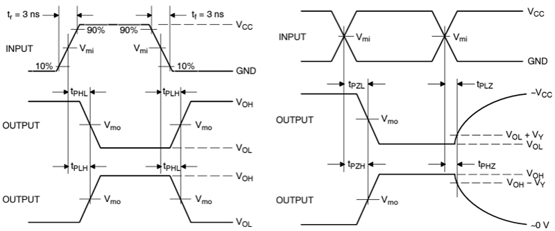
スイッチング波形
公開: 2024-10-25
| 更新済み: 2024-12-09

