Power Integrations InnoSwitch™3-PD ICs
Power Integrations InnoSwitch™3-PD ICs simplify the development and manufacturing of USB Type-C™ and USB-PD (Power Device) power supplies. This simplification is achieved by integrating primary switch and controller, isolated feedback, secondary control, and USB-PD controller into a single compact package.Features
- USB Type-C and PD controller
- USB power delivery 3.0 + PPS provider and QC4 support
- Compliant with USB Type-C Rev. 1.3
- Integrated VCONN FETs with soft start and over-current protection
- Supports electronically marked cables
- Configurable pull-up resistor Rp
- On-chip temperature sensor
- Telemetry for power supply status and fault monitoring
- PowiGaN™ technology – up to 100W without heat sinks
- Dedicated NTC pin for temperature sensing
- Highly integrated, compact footprint
- Multi-mode Quasi-Resonant (QR) / DCM / CCM flyback controller, high-voltage switch, secondary-side sensing and synchronous rectifier driver
- Optimized efficiency across line and load range
- Integrated FluxLink™, HIPOT-isolated, feedback link
- Instantaneous transient response
- Drives low-cost N-channel FET series load switch
- EcoSmart™ – energy efficient
- No-load consumption as low as 14mW
- Enables power supply designs that easily comply with all global energy efficiency regulations
- Low heat dissipation
- Advanced protection/safety features
- Input voltage monitoring with accurate brown-in/brown-out and overvoltage protection
- Output OV/UV fault detection with independently configured responses
- Open SR FET gate detection
- Hysteretic thermal shutdown
- Programmable watchdog timer for system faults
- Integrated high voltage FETs for VBUS short protection on CC1, CC2
- Full safety and regulatory compliance
- Reinforced insulation
- Isolation voltage >4000VAC
- 100% production HIPOT compliance testing
- UL1577 and TUV (EN60950 and EN62368) safety approved
- Green package
- Halogen-free and RoHS compliant
Applications
- High-efficiency USB PD 3.0 + PPS adapters for smartphones, tablets, notebooks, digital cameras, and BLUETOOTH® accessories
- Quick Charge protocol based power adapters
- Direct-charge mobile device chargers
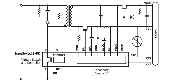
Typical Application Schematic
Primary Controller Block Diagram
Secondary Controller Block Diagram
公開: 2021-10-04
| 更新済み: 2022-03-11
