Renesas Electronics 8A34044 4-Chユニバーサル周波数変換器
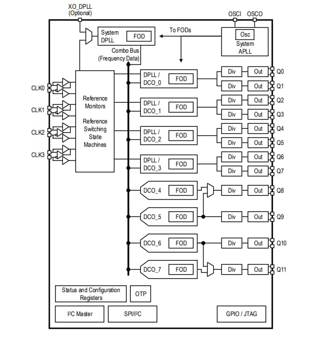
Renesas / IDT 8A34044 4チャンネルユニバーサル周波数変換器には、2つのデジタルPLL(DPLL)チャンネルと6つのデジタル制御発振器(DCO)チャンネルがあります。DPLLは、外部リファレンスに固定したり、フリーランでの動作が可能で、DCOとして構成できます。これは、あらゆるDPLLによる同期の可能性があります。その後DCOは、光伝送ネットワーク(OTN)アプリケーションを対象に、替わりに外部アルゴリズムで制御できるようになります。Renesas / IDT 8A34044は、バックプレーンや他のメディアを介して同期ソースと接続されている通信ポート・オンライン・カードまたはドータ・カードの同期にも使用できます。8A34044変換器は、クロック発生、ジッタ減衰、ユニバーサル周波数変換を目的とした複数の独立型タイミング・チャンネルをサポートしています。この入力対入力、入力対出力、出力対出力の位相スキューは、すべて正確に管理できます。このデバイスは、最高28Gbpsで実行するSERDESに直接同期できる超低ジッタ・クロックを出力します。これには、CPRI/OBSAI、SONET/SDH、PDHインターフェイスなどがあります。
特徴
- 2つの独立したデジタルPLL(DPLL)
- 6つの独立したデジタル制御発振器(DCO)
- 150fs RMS(typ)以下のジッタ出力
- 1kHz~1GHzの周波数にロックするDPLL
- DPLL/DCOは0.5Hz~1GHzで任意の周波数を発生
- DCO出力は、DPLLまたはDCOの出力と位相および周波数を揃えることが可能
- 最大2の差動または4のシングルエンド・リファレンス・クロック入力に対応
- デバイスには、水晶発振器または基本波モード水晶: 25MHz~54MHzが必要
- 最大12個の差動出力または24 LVCMOS出力に対応
- リファレンスは、LOS、アクティビティ、周波数モニタリングおよび/またはLOS入力ピンに応じて適格/不適格基準をモニタリングします。
- 自動基準選択ステートマシンは、基準モニタ、優先度テーブル、復帰/非復帰、その他のプログラマブル設定に基き、各DPLLのアクティブ基準を選択します。
- オプションのXO_DPLL入力によって、高精度が備わっている局部発振器が必須のアプリケーションを対象に、さらに広範なXO、TCXOまたはOCXOリファレンス周波数1MHz~150MHzが実現
- シリアル・プロセッサ・ポート・サポート1MHz I2Cまたは50MHz SPI
- このデバイスは、次の方法でリセットした後に自動的に設定可能:
- 内部カスタマプログラマブル・ワンタイム・プログラマブル・メモリ
- 別途のI2Cマスターポート経由の標準の外付けI2C EPROM
アプリケーション
- コアおよびアクセスIPスイッチ/ルータ
- 同期イーサネット機器
- 10Gb、40Gb、100Gbイーサネットインターフェイス
- 4.5Gおよび5Gネットワーク機器用のワイヤレス・インフラ
- OTNマックスポンダとラインカード
ブロック図
公開: 2019-02-20
| 更新済み: 2023-06-13
