BD9V10xMUFの構成
BD9V10xMUF DC/DCコンバータは、2MHzでスイッチングする24:1という高降圧比を達成しています。これらのバック・コンバータは、マイルドハイブリッド車の48V電源システムにおいて、現在の2ステップ降圧を1ステップ降圧に置き換えます。この機能によって、スペース要件が削減され、電源システムが簡素化されています。BD9V10xMUFバック・コンバータは、小型化と車載用サブシステムにおけるAM電波干渉の回避用ソリューションです。
Nano Pulse Control™
BD9V10xMUFバック・コンバータは、電源ICを対象とした9nsという非常に低いスイッチング・オン・タイムが特徴で、24:1の降圧比を実現しています。これは、超高速パルス制御回路と高電圧BiCDMOSプロセスが活用されているNano Pulse Control™技術によって達成されています。9nsのスイッチングオン時間は、従来のROHM製品の標準的なオン時間の1/10です。
特徴
- Nano Pulse Control™によって、2.1MHzで60V~3.3Vの直接変換を実現
- SW最小ON時間: 20ns(最大)
- パワーMOSFETが統合されている同期スイッチング・レギュレータ
- ソフトスタート機能
- 電流モード制御
- 過電流保護
- 入力低電圧ロックアウト保護と過電圧ロックアウト保護
- サーマルシャットダウン保護
- 出力過電圧保護
- 短絡保護
- 湿潤性フランクQFNパッケージ
仕様
- 入力電圧範囲: 16V~60V
- 出力電圧範囲: 0.8V~5.5V
- 出力電流: 1A(max)
- 動作周波数: 1.9MHz~2.3MHz
- リファレンス電圧精度: ±2%
- シャットダウン回路電流: 0µA(typ)
- 動作温度範囲
- BD9V100MUF-CE2: -40°C~125°C
- BD9V101MUF-LB: -40°C~150°C
アプリケーション
- 産業用機器
- コンシューマ供給
BD9V10xMUFバックコンバータのブロック図
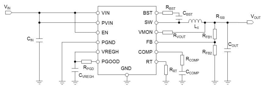
BD9V10xMUFバックコンバータのアプリケーション回路
ビデオ
公開: 2018-04-03
| 更新済み: 2023-02-24
