Sierra Wireless / Semtech MC74x AirPrime®産業用4G LTE IoTモジュール
Sierra Wireless/ Semtech MC74x AirPrime® 産業用4G LTE IoTモジュールは、複数の無線周波数帯域でM2Mアプリケーション、ノートブック、ウルトラブック、タブレットコンピュータにLTE、UMTS、GNSS接続を提供するコンパクトで軽量なワイヤレスモデムです。MC74xモジュールは、クアルコムのMDM9250ベースバンドプロセッサに基づき、新しいネットワ-ク技術への容易なアップグレードパスや高速ネットワークへのグローバルアクセスを提供します。これらの組み込みモジュールは、300Mbpsダウンリンクおよび150Mbpsアップリンクの高速接続を供給し、キャリア集約を用いたLTE advancedをはじめとする高度エアインターフェイスの幅広い選択肢があります。特徴
- クアルコムのMDM9250ベースバンドプロセッサに基づく
- 物理仕様
- PCI Express Mini Card電気機械仕様改訂1.2に規定されるtype F2に準拠した小型フォームファクタ
- 周囲動作温度範囲
- クラスA(3GPP準拠)で-30°C ~ +70°C
- クラスB(非3GPP準拠)向け-40°C ~ +85°C (動作パラメータの削減が必須)
- アプリケーションインターフェイス
- Windows 7およびレガシーWindowsオペレーティングシステム用USBインターフェイス(QMI)
- Windows 8.1およびWindows 10用MBIM
- ATコマンドインターフェイス
- 専用アンテナ制御信号経由のアクティブアンテナ制御をサポート
- ソフトウェアや専用信号(DPR)経由の動的電力削減サポート
- OMA DM(Open Mobile Allianceデバイス管理)、サポートはオペレータ依存
- FOTA(ファームウェア無線)、サポートはオペレータ依存
- モデム
- LTE/DC-HSPA +/HSPA +/HSPA/UMTS(WCDMA)運用
- 複数(最大16)のセルラーパケットデータプロファイル
- ATコマンドの従来型モデムCOMポート対応
- USB中断/再開
- アイドル電力消費を最小限に抑えるスリープモード
- プロアクティブSIMコマンド付きSIMアプリケーションツールキット
- 拡張オペレータ名文字列(EON)
- モバイル由来のPDPコンテキスト有効化/無効化
- QoS QCI(3GPPリリース12)をサポート
- 静的、動的IPアドレス - ネットワークは固定IPアドレスを割り当てたり、DHCP(動的ホスト構成プロトコル)を使用して動的に割り当てることができます。
- PAP、CHAPサポート
- PDPコンテキストタイプ(IPv4、IPv6、またはIPv4v6)
- RFC1144 TCP/IPヘッダ圧縮
- IMSまたはLTE用SGを介したMmobileオリジナルおよびモバイル終端SMSを備えたショートメッセージサービス(SMS)
- LTE
- キャリア集約
- 40MHz(DL LTE-FDD用)
- 40MHz(DL LTE-TDD用)
- 40MHzバンド内連続(UL LTE用)
- CSGサポート(LTE Femto)
- LTE高度レシーバ(NLIC、eICIC、feICIC)
- 基本的なセル選択とシステム収集
- PSS/SSS/MIBデコード
- SIB1~SIB16デコーディング
- NAS/ASセキュリティ手順 - Snow 3G/AES/ZUCセキュリティ
- CQI/RI/PMIレポート
- アイドルモードや接続モードでのページング手順
- 専用発信者
- ネットワーク主導型専用発信者
- UE主導型専用発信者
- オペレーティングシステムのサポートの対象となる複数のPDN接続(IPv4とIPv6の組み合わせ)
- コネクテッドモードLTE内モビリティ
- アイドルモードLTE内モビリティ
- アイドルおよびリダイレクションでの接続リリースを目的としたLTE/3G間のiRAT
- 分離手順
- 再接続が必要なネットワーク主導型分離
- ネットワーク主導型分離後の接続リリース
- キャリア集約
- 位置ロケーション
- カスタマイズ可能な追跡セッション
- 起動時の自動追跡セッション
- 同時スタンドアロンGPS、GLONASS、ガリレオ、BeiDou、QZSS
- アシストGPS/GLONASS SUPL2.0
- 専用コネクタまたはダイバーシティコネクタでのGPS/GLONASS
- gpsOneXTRA 1.0/2.0/3.0/3.1
- BeiDouには性能を削減した専用コネクタまたはダイバーシティコネクタを使用
- 専用コネクタまたはダイバーシティコネクタ上のGalileo
アプリケーション
- モデム/ルータ
- モバイルコンピューティング
- AI
- プライベートネットワーキング
- 公共の安全性
- 産業用M2M
- ビデオストリーミング
- ビデオ監視
- VR/AR
- 産業用オートメーション
- ドローン
システムブロック図
拡張RF(送信)ブロック図
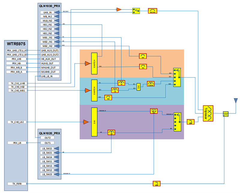
拡張RF(受信/GNSS)のブロック図
公開: 2024-02-07
| 更新済み: 2024-03-04
