Sensirion STCC4小型CO2センサ
Sensirion STCC4小型CO2センサは、4mm x 3mm x 1.2mm (長さ x 幅 x 高さ) の超小型パッケージサイズで CO2 を直接測定します。このデバイスは、これまでサイズやコストの制約によって制限されていたアプリケーションに最適で、コンパクトな電子機器にシームレスに統合できます。工場で完全校正された STCC4 センサは、熱伝導率センシング技術、 低消費電流、および I2C インターフェイスを特徴としています。このモジュールを Sensirion 温度・湿度センサと組み合わせると、 正確な信号補正と関連する室内環境パラメータのモニタリ ングの両方が実現します。STCC4小型CO2センサは、大量組立とテープ&リール梱包に最適化されたSMD設計を採用しています。STCC4センサは、室内空気品質モニタ、エアコン、スマートサーモスタットなど、幅広いアプリケーションに適しています。特徴
- 超小型フォームファクタ
- 工場出荷時に完全に較正済み
- 小型電子機器へのシームレスな統合を目指した設計
- 低消費電流:<1mA
- 簡単なセンサ通信のためのデジタルI2Cインターフェイス
- 温度・湿度センサと組み合わせると、正確な信号補正および関連する室内環境パラメータのモニタリングが実現
- SMDアセンブリとテープ&リール梱包により大量生産アプリケーションが可能
仕様
- I2Cインターフェイス
- CO2
- 測定範囲:400ppm〜5000ppm
- 精度:±(100ppm +10%)
- 4mm x 3mm x 1.2mm(L x W x H)
- 電源電圧2.7V~5.5V
- 平均電源電流:950µA
- 最大供給電流4.2mA
アプリケーション
- 屋内空気品質モニタ
- スマートサーモスタット
- エアコン
ビデオ
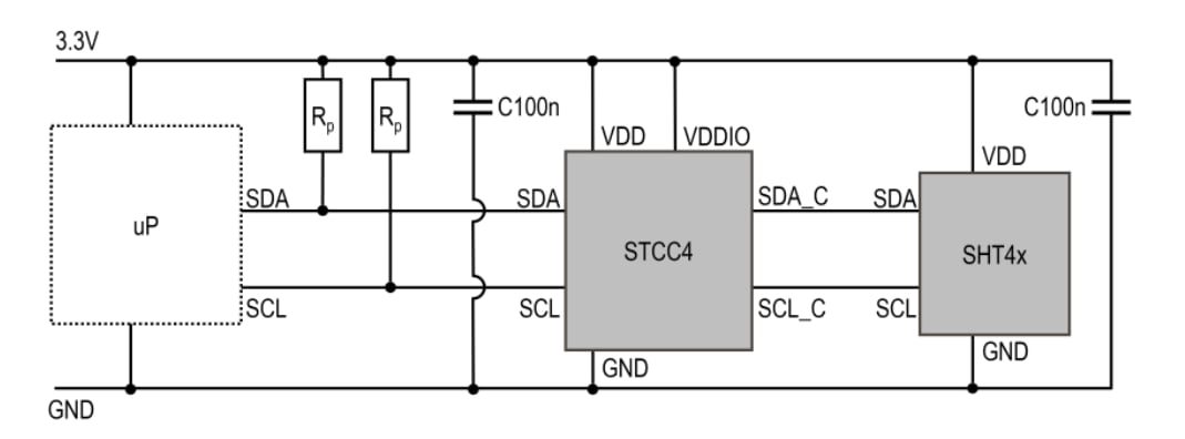
標準アプリケーション回路
寸法
公開: 2024-04-15
| 更新済み: 2026-03-16
