STMicroelectronics ACEPACK™ IGBT

STMicroelectronics ACEPACK™ IGBTモジュールは、新しいプラスチック製パワーモジュールのファミリで、電源管理ソリューションおよび工業アプリケーションに対処するように開発されました。ACEPACK™ 1およびACEPACK™ 2パッケージには、高度トレンチゲートフィールドストップ技術が統合されたコンバータインバータブレーキ(CIB)および6パックトポロジの両方が導入されています。これらのACEPACK IGBTモジュールは、ACEPACK 1またはACEPACK 2パワーモジュール、統合負の温度係数(NTC)、CIBまたは6パックトポロジが特徴です。これらのモジュールは、伝導とスイッチング損失の間の最良の妥協点を表すことによって新しいIGBT技術の適切な使用をカバーしており、効率性を20kHz向上させることができます。これらのIGBTモジュールは、工業モータードライブ、ソーラーパネル、溶接、インバータのアプリケーションに最適です。

特徴

  • ACEPACK™ 1およびACEPACK™ 2パワーモジュール:
    • 直接接合銅(DBC)Cu Al2O3 Cu
  • コンバータインバータブレーキ(CIB)トポロジ:
    • 1600V阻止電圧
    • 1200V、25A IGBT、ダイオード
    • 1.95VCE(sat) @ IC=25A
    • ソフトで高速のリカバリダイオード
  • SixPackトポロジ:
    • 1200V、35A IGBT、ダイオード
    • 1.95VCE(sat) @ IC=35A
  • ソフトで高速のリカバリダイオード
  • 統合NTC

アプリケーション

  • インバータ
  • モータドライブ
  • ソーラーパネル
  • 溶接

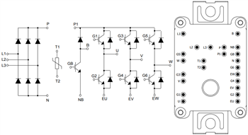
コンバータインバータブレーキ

ビデオ

公開: 2018-01-02 | 更新済み: 2023-01-31