STMicroelectronics 車載用Class-Dオーディオ・パワーアンプ
STMicroelectronics車載用Class-Dオーディオ・パワーアンプは、車載用オーディオ・アプリケーション用に設計されたバイポーラCMOS-DMOS(BCD)技術が採用されているデジタル入力アンプです。Class Dオーディオアンプは、広い動作範囲、ESD保護、AEC-Q100認定、2Ωおよび1Ω負荷駆動能力が特徴です。これらのオーディオアンプには、シングルブリッジおよびクワッドブリッジ構成があります。Class Dオーディオアンプには、I2Sおよび時間分割多重(TDM)デジタル入力が採用されています。これらのオーディオアンプには、高性能D/Aコンバータが組み込まれており、効率性能を向上させます。Class Dオーディオアンプには、優れた周波数応答直線性およびより低い損失を実現している出力L-Cローパスフィルタが搭載されているフィードバックループが組み込まれています。これらのアンプは、標準シングルDINカーラジオボックスで使用され、チューナー、ノイズやトーン・ジェネレータ、テレマティクス、e-callが搭載されています。特徴
- 統合108/110dB D/A変換
- 完全I2Cバス駆動
- フィードバックに含まれる出力ローパス・フィルタ
- クリッピング検出器
- 44.1kHz、48kHz、96kHz、192kHz入力サンプリング周波数
- ESD保護
- 2Ωおよび1Ω負荷駆動能力
- AEC-Q100認定
仕様
- FDA801BおよびFDA801:
- 3.3V / 1.8V I2SおよびTDMデジタル入力
- 28W / 4Ω @Vd=14.4V、THD=10%高出力電力能力
- LQFP64露出パッドアップパッケージ
- FDA803DおよびFDA903D:
- 4 / 8 / 16チャンネルI2SおよびTDMデジタル入力
- 1 x 25W / 4Ω@VD=14.4 V、THD=1%高出力電力能力
- 1 x 30 W / 4Ω@VD=14.4 V、THD=10%高出力電力能力
- PowerSSO-36露出パッドダウンパッケージ
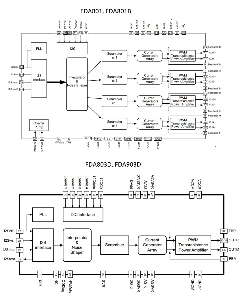
Class-Dアンプのブロック図
公開: 2018-06-17
| 更新済み: 2025-01-09
