STMicroelectronics EVALSTGAP2HSCMゲートドライバ・デモボード
STMicroelectronics EVALSTGAP2HSCMゲートドライバ・デモボードを使用すると、TO-220またはTO-247パッケージで電圧定格最高1200Vまででハーフブリッジ電力段を駆動しながら、STGAP2HSCMの機能すべてを評価できるようになります。ゲートドライバは、4A電流能力およびレール-to-レール出力が特徴です。この機能によってゲートドライバは、MOSFET / IGBTパワースイッチが搭載された工業アプリケーションでのモータ・ドライバといった高電力インバータ・アプリケーションにも適しています。単一の出力ピンとミラークランプ機能を特徴とする構成によって、ハーフブリッジトポロジでの高速転流中のゲートスパイクを回避できます。デバイスには、UVLOや熱シャットダウンといった保護機能が集積されており、信頼性の高いシステムに簡単に実装できます。デュアル入力ピンによって制御信号の極性を選択し、HWインターロック保護を実装してコントローラーが誤動作した場合の相互導通を回避できます。デバイスを使用すると、負ゲート駆動、およびMOSFET/IGBT向けに最適化された駆動電圧で作動するオンボード絶縁DC-DCコンバータを実装できます。STMicroelectronics EVALSTGAP2HSCMによって関係がある外付けコンポーネントの値の選択と変更が簡単になり、さまざまなアプリケーション条件下でのドライバの性能評価および最終アプリケーションのコンポーネントの微調整を容易に実施できます。
特徴
- ボード
- 最高1200Vまでの高電圧レール
- 負のゲート駆動
- VAUX = 5Vで給電され、最大絶縁が5.2kVの高圧側および低圧側ゲートドライバに供給するオンボード絶縁DC-DCコンバータ
- オンボードまたは5V(外部で印加)で生成された3.3V VDDロジック供給
- 駆動電圧構成の簡単なジャンパ選択: +15/0V、+15/-3V、+19/0V、+19/-3V
- デバイス
- 4Aソース/シンク @ 25°Cドライバ電流機能
- 6000Vガルバニック絶縁
- 75nsという短い伝播遅延
- UVLO機能
- 最大26Vのゲート駆動電圧
- ヒステリシスで3.3V、5V TTL/CMOS入力
- 温度シャットダウン保護
- スタンバイ機能
- 4AミラーCLAMP
アプリケーション
- Motor drivers
- Home appliances
- Factory automation
- Industrial drives
- Fans
- 600/1200V inverters
- Battery chargers
- Induction heating
- Welding
- UPS
- Power supply units
- DC-DC converters
- Power factor correction
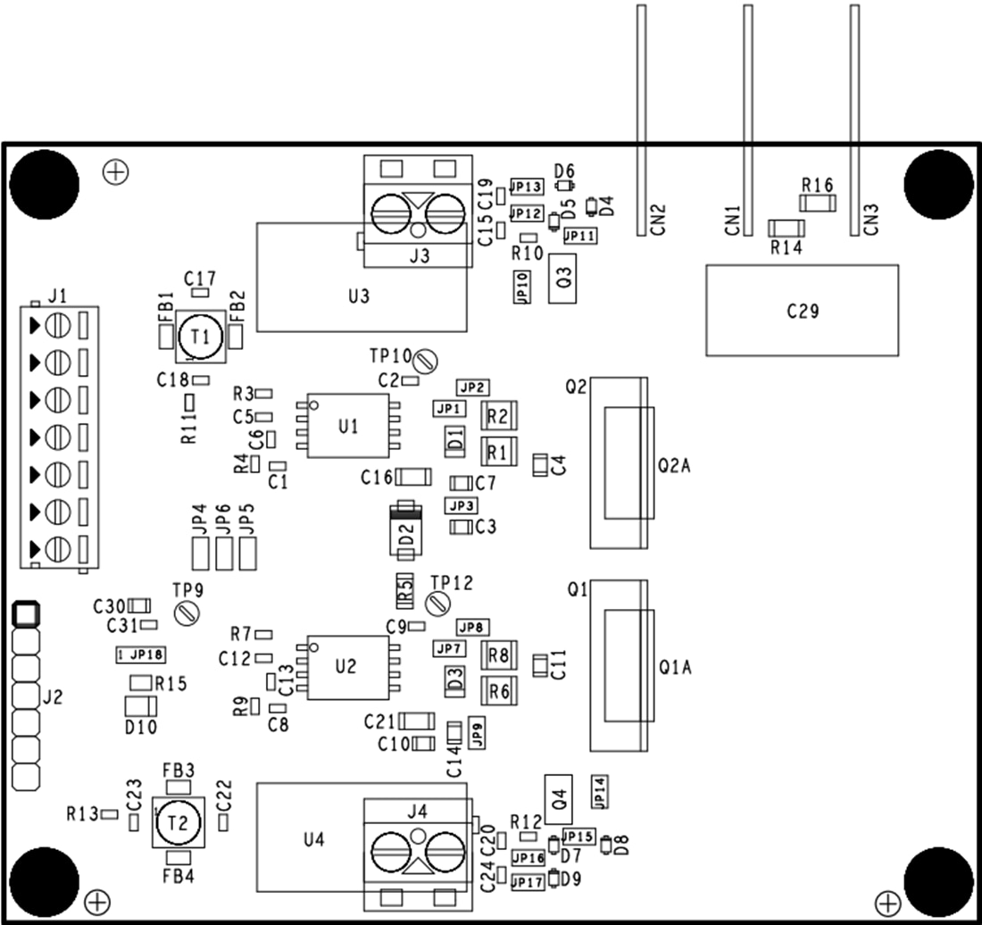
ボード・レイアウト
公開: 2020-10-02
| 更新済み: 2025-01-03
