STMicroelectronics STDRIVE101トリプルハーフブリッジドライバ
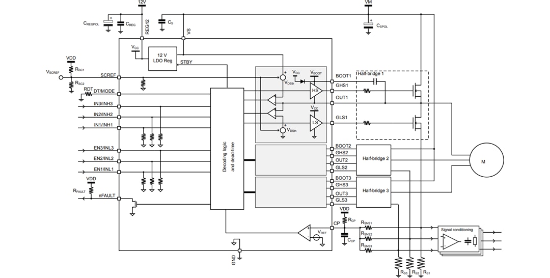
STMicroelectronics STDRIVE101 トリプルハーフブリッジゲートドライバー は、三相ブラシレスモータの駆動に適した低電圧ゲートドライバです。STDRIVE101は、NチャンネルパワーMOSFET用ハーフブリッジゲートドライバ3台が搭載されている シングルチップです。各ドライバは、600mA(シンク/ソース)の電流能力を備えています。ブートストラップ回路を介して低圧側および高圧側の両方のゲートドライバの供給電圧を生成する低ドロップ・リニアレギュレータが集積されています。デバイスは、低圧側と高圧側の両方での低電圧ロックアウト(UVLO)を実現しており、電力スイッチの低効率または危険な状態での動作を防止します。特徴
- 5.5V~75.0Vの幅広い動作電圧
- 600mAシンク/ソース電流能力
- 3.3Vおよび5.0V制御ロジック
- 2つの入力戦略
- デッドタイム生成を調整できるENx/INx
- インターロッキング搭載INHx/INLx
- 全チャンネルに対して伝搬遅延をマッチング
- 非常に短い40ns伝搬遅延
- 統合ブートストラップダイオード
- 12VのLDOリニアレギュレータ(最大50mA)
- 各外部MOSFET用組み込みVDS モニタ
- 過電流コンパレータ
- UVLOとサーマルシャットダウン保護
- 小電流電力動作のための待機モード
- 動作温度範囲 : -40°C~+125°C
- 4mm x 4mm VFQFPN24パッケージ
アプリケーション
- ホーム・オートメーション
- 電化製品
- 電動バイク
- 電力ツール
- ファン、ポンプ
- 産業用オートメーション
- 繊維機械
- ゲーム機、コンソール
ビデオ
ブロック図
標準アプリケーション回路
公開: 2020-11-13
| 更新済み: 2024-12-30
