STMicroelectronics STPMIC1パワーマネジメントIC
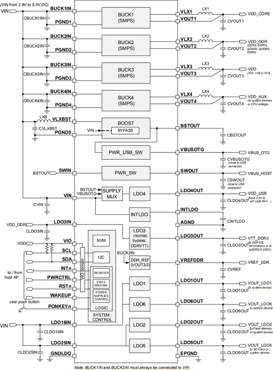
STMicroelectronics STPMIC1パワーマネジメントICは、低消費電力と高効率が必須の高レベルの統合アプリケーションプロセッサ設計に基づいた製品向けに設計された完全統合PMICです。STPMIC1 PMICには、I2CおよびIOインターフェイス経由でホストプロセッサによって制御される高度低消費電力機能が統合されています。このPMCIには、高い効率性を目的に最適化されている同期降圧型コンバータ4台が統合されています。このコンバータには、過渡応答を改善できるように適応型定ONタイム(COT)コントローラ(通常のスイッチング周波数2MHz)が採用されています。また、アプリケーション・プロセッサに電力を供給できるように低ドロップアウト(LDO)レギュレータだけでなく、DDRメモリ、フラシュメモリ、および他のシステムデバイスといった外付けシステム周辺機器も組み込まれています。STPMIC1のブーストコンバータは、最大3個のUSBポート(500mAホストUSB用2個、100mA USB OTG用1個)に給電できます。STPMIC1の高度バイパスアーキテクチャによって、バッテリからのUSBポートのVBUS、および民生用5V AC-DCアダプタのスムーズな安定化が可能になります。
STPMIC1パワーマネジメントICは、WFQFN-44Lパケージで販売されており、-40°C~105°Cの動作周囲温度範囲が備わっています。
特徴
- 入力電圧範囲: 2.8V~5.5V
- 調節式汎用LDO4台
- DDR3端子(シンク-ソース)用LDO1個、低消費電力DDR用バイパスモード、あるいは汎用LDO
- 自動電源検出機能搭載のUSB PHY電源用LDO 1台
- リファレンス電圧LDO(DDRメモリ用)1台
- 調整式の適応型定ONタイム(COT)バックSMPSコンバータ4台
- 5V入力またはバッテリ入力用のバイパスモード搭載5.2V / 1.1AブーストSMPS
- 500mAパワースイッチ(USB OTG準拠)1個
- 500mA/1000mAパワースイッチ(汎用)1個
- ユーザープログラマブル不揮発性メモリ(NVM)、広範なアプリケーションに対応できる拡張性を実現
- I2CおよびデジタルI/O制御インターフェイス
- 動作温度範囲: –40°C~+105°C
- パッケージの種類: WFQFN-44L
- パッケージのサイズ: 5mm x 6mm x 0.8mm
アプリケーション
- STM32MP1マイクロコントローラ用のパワーマネジメント装置コンパニオン・チップ
- 組み込みマイクロプロセッサ用のパワーマネジメント
- ウェアラブルおよびIoT
- ポータブル機器
- ヒューマン・マシン・インターフェース(HMI)
- スマートホーム
ビデオ
バックのブロック図
ブーストとスイッチのブロック図
アプリケーション図
公開: 2019-08-20
| 更新済み: 2026-01-14
